mid-list DINGS - Precision Motion Specialist
FRA

dings logo

Taille 11 [28mm] Actionneur Linéaire À Vis Sans Fin Avec Moteur Pas À Pas

Les actionneurs linéaires pas à pas de taille 11 [28mm] occupent une empreinte de montage légèrement supérieure à 25mm² mais fournissent plus de 140N de poussée continue, soit plus de 3 fois celle de la taille 8.

Les actionneurs linéaires pas à pas de taille 11 sont disponibles en quatre formats - Externe, Non Captif, Cylindre Électrique (Captif) et Kaptive.

Images des Actionneurs Linéaires Pas à Pas de Taille 11 [28mm]

Caractéristiques du Moteur

Sur un appareil mobile, vous pouvez faire défiler à gauche et à droite pour voir le contenu (tableaux).

MoteurTension[V]Courant [A [RMS]]Resistance[Ω]Inductance[mH]Masse [g]Lead Wire No.Longueur du Moteur [mm]
11-21054.550.59.16117433.35
11-21102.112.11.5117433.35
11-22093.90.954.14173445
11-22162.41.61.51.3173445
NOTE

Classe d'isolation du moteur (B), élévation de la température du moteur 80 °C, température ambiante 20 °C ~ 55 °C.

Vis mères disponibles et résolution (déplacement par pas)

Sur un appareil mobile, vous pouvez faire défiler à gauche et à droite pour voir le contenu (tableaux).

Diamètre de la vis [pouce]Diamètre de la vis [mm]Avance [pouce]Avance [mm]Code d'avanceDéplacement par pas @ 1,8° [mm]*
0.1884.770.01250.3175AL0.0016
0.1884.770.0250.635A0.0032
0.1884.770.051.27D0.0064
0.1884.770.06251.5875F0.0079
0.2185.560.0962.4384J*0.0122
0.1884.770.12.54K0.0127
0.188 / 0.2184.77 / 5.560.1924.8768Q*0.0244
0.1884.770.25.08R0.0254
0.1884.770.410.16X0.0508
0.1884.770.18744.76AC0.0238
  • * Le câblage du moteur et le pas de la vis peuvent être adaptés aux demandes du client
    * La vis de diamètre 5,56 mm ne peut être appliquée qu'au type externe
  • * Valeur Tronquée
 

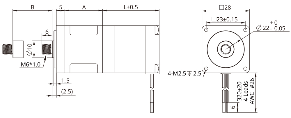
Dessins Dimensionnels

images d'actionneur externe
dimensions de l'actionneur externe
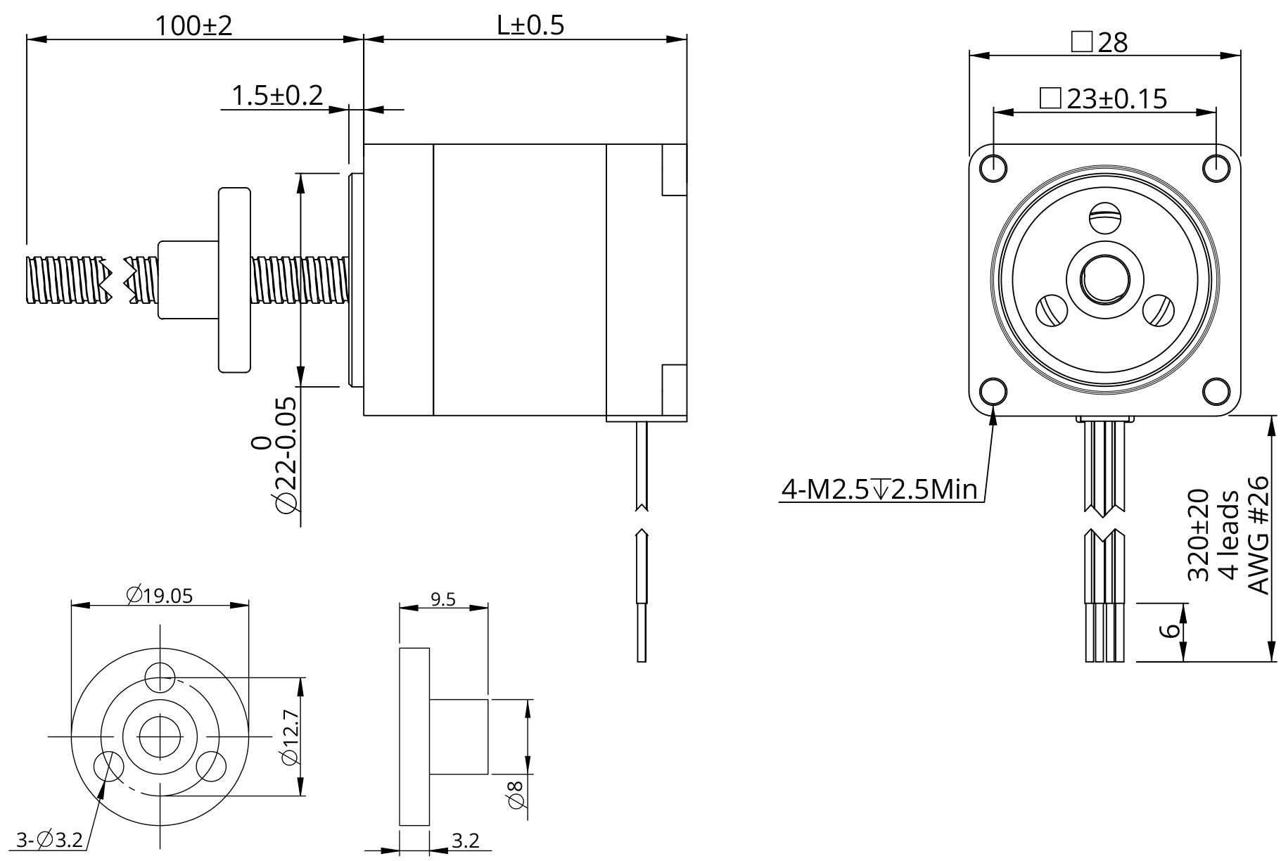
images d'actionneur non-captif
dimensions de l'actionneur non-captif
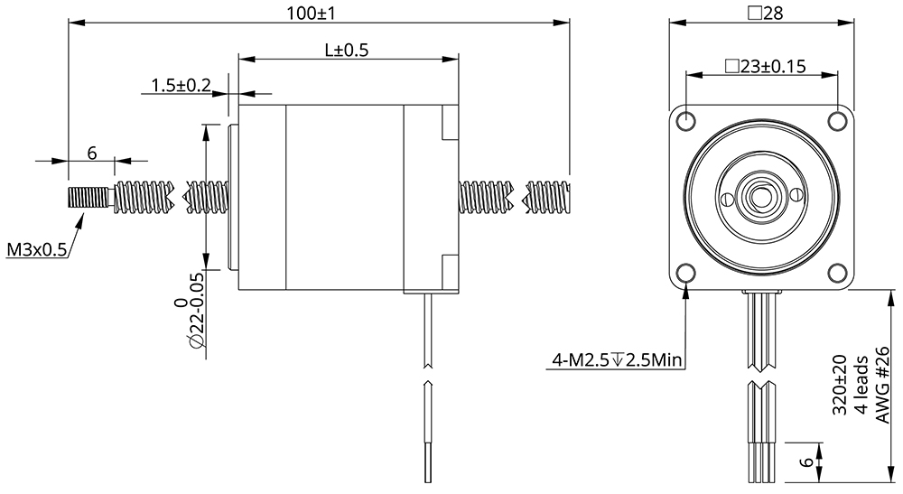
images d'actionneur captif
dimensions de l'actionneur captif
Spécifications de la Course
Dimension A
(mm)
Course B
(mm)
Dimension L (mm)
22.20 12.70 Moteur Simple
33.35
Moteur Double
45
28.55 19.05
34.90 25.40
41.30 31.80
47.60 38.10
60.30 50.80
73.00 63.50
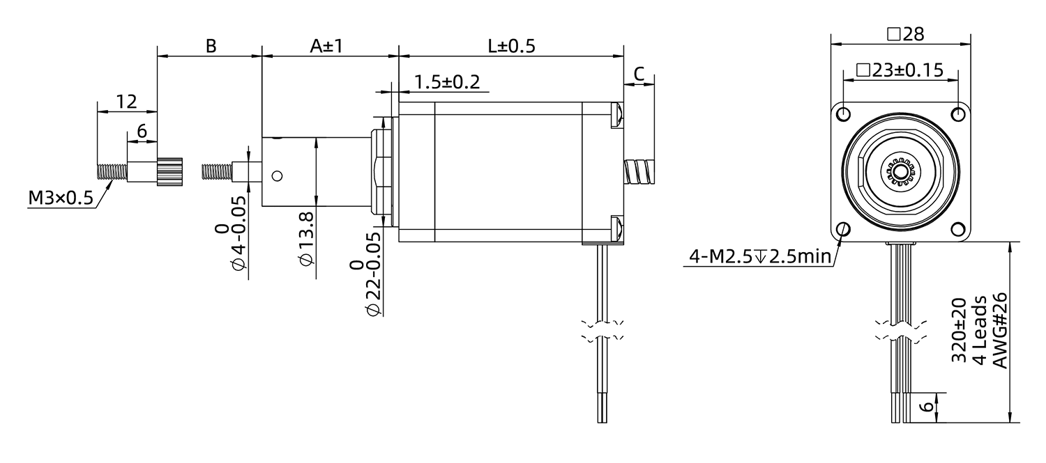
images d'actionneur kaptive
dimensions de l'actionneur kaptive
Spécifications de la Course
Dimension A
(mm)
Course B
(mm)
Dimension C (mm)
L=33.35 L=45
14.7 12.7 1 0
22.1 19.05 7.8 0
27.4 25.4 13.7 4.6
33.8 31.8 20.1 11
40.1 38.1 26.4 17.4
52.8 50.8 39 29.8
65.5 63.5 52.7 42.5

Courbes de Vitesse et de Poussée

Conditions de test
Tension de test : 24Vdc, Modèle du pilote : DS-OLS2-FPD bipolaire, pilote chopper utilisé à courant nominal (rms).
La poussée du moteur peut varier selon la tension et le pilote utilisés. Une marge de sécurité de 50 % sur la poussée est recommandée.

Options

Usinage d'Extrémité de Vis
usinage d'extrémité de vis
Revêtement en Téflon

Si les applications nécessitent une combinaison vis-écrou sans graisse, DINGS propose des vis mères revêtues de Téflon pour ses actionneurs linéaire pas à pas.

Les actionneurs linéaires avec vis revêtue de Téflon offre une durée de vie plus longue et une meilleure force de poussée par rapport aux vis mères conventionnelles non-graissées.

Le revêtement Téflon peut être appliqué sur toute la gamme de vis mère de DINGS et sur tous les types d'actionneurs linéaires tels que Externes, Non captifs, Vérins électriques et Captifs.

De plus, un écrou à rattrapage de jeu peut également être combiné avec les vis revêtues de Téflon.

revêtement en téflon
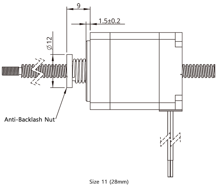
Écrou Anti-Jeu Externe
Écrou Anti-Jeu Externe

* En fonction de la sélection du code de pas de vis, la longueur de l'écrou anti-jeu peut varier.

Écrou Anti-Jeu Non Captif
Écrou Anti-Jeu Non Captif
Option Codeur
Images de l'codeurEK1
Images de l'codeurEK1

Sur un appareil mobile, vous pouvez faire défiler à gauche et à droite pour voir le contenu (tableaux).

Résolution (CPR) 100 108 120 125 128 200 250 256 300 360 400 500 1000 512 720 800
Sortie Single Ended 0 1 2 3 4 5 6 7 8 9 10 11 12 13 14 15
Sortie différentielle A B C D E F G H I J K L M N O P
Images de l'codeurEK2
Images de l'codeurEK2

Sur un appareil mobile, vous pouvez faire défiler à gauche et à droite pour voir le contenu (tableaux).

Résolution (CPR) 50 100 192 200 250 256 360 400 500 720 900 1000 1250 2000 2500 4000 5000
Sortie Single Ended 0 1 2 3 4 5 6 7 8 9 10 11 12
Sortie différentielle A B C D E F G H I J K L M N O P Q
Frein à Découplage [Disponible pour le Moteur Taille 11]

Size 11 [28mm]

In a mobile environment, you can move left and right to see the contents (tables).

Tension nominale DC 24V ± 5%
Résistance 143.7Ω ± 10%
Puissance 5.5W
Couple de maintien >0.3N.M
Isolation B
Résistance d'isolation >100MΩ (DC500V)
Force diélectrique AC 1000V for 1 sec
Temps de rétraction 50ms
Temps de libération 50ms
Angle de rotation
Temps de freinage d'urgence 200 cycles
Durée de vie 500,000 cycles
Niveau de bruit <60db
Taille 11 [28mm]