FRA

dings logo

Taille 23 [57 mm] Actionneur Linéaire À Vis Sans Fin Avec Moteur Pas À Pas

L’actionneur linéaire pas à pas à vis sans fin taille 23 [57 mm] offre des performances élevées, des cycles de travail plus importants et fournir jusqu’à 910 N.

L'actionneur linéaire à vis sans fin pas à pas taille 23 est disponible en quatre formats - Externe, Non-captif, Cylindre électrique (Captif) et Kaptive.

Images des actionneurs linéaires à vis sans fin pas à pas Taille 23 [56 mm]

Caractéristiques du moteur

Dans un environnement mobile, vous pouvez déplacer de gauche à droite pour voir le contenu (tableaux).

MoteurTension[V]Courant[A [RMS]]Resistance[Ω]Inductance[mH]Masse[g]Lead Wire No.Longueur du Moteur [mm]
23-21106.416.416.4585445
23-21203.521.754.1585445
23-21302.430.81.7585445
23-221011.5111.532880465
23-222552.525.2880465
23-22402.840.72880465
NOTE

Classe d'isolation du moteur (B), élévation de la température du moteur 80 °C, température ambiante 20 °C ~ 55 °C.

Vis mères disponibles et résolution (déplacement par pas)

Dans un environnement mobile, vous pouvez déplacer de gauche à droite pour voir le contenu (tableaux).

Diamètre de la vis [pouce]Diamètre de la vis [mm]Avance [pouce]Avance [mm]Code d'avanceDéplacement par pas @ 1.8° [mm]*Déplacement par pas @ 0.9° [mm]*
0.3759.5250.0250.635A0.00320.0016
0.3759.5250.051.27D0.00640.0032
0.3759.5250.06251.5875F0.00790.004
0.3759.5250.0832.1167H0.01060.0053
0.3759.5250.12.54K0.01270.0064
0.3759.5250.1253.175L0.01590.0079
0.3759.5250.1674.2333P0.02120.0106
0.3759.5250.25.08R0.02540.0127
0.3759.5250.256.35S0.03180.0159
0.3759.5250.3759.525V0.04760.0238
0.3759.5250.3849.7536W0.04880.0244
0.3759.5250.410.16X0.05080.0254
0.3759.5250.512.7Y0.06350.0318
0.375 / 0.59.525 / 12.7125.4Z0.1270.0635
0.394 / 0.47210 / 120.07872G0.010.005
0.472120.19695E0.0250.0125
0.394 / 0.47210 / 120.393710C0.050.025
0.394100.787420I0.10.05
0.472120.509615CE0.0750.0375
0.472120.984325IE0.1250.0625
* Valeur tronquée
* Le bobinage du moteur et le pas de la vis peuvent être personnalisés selon la demande du client
* La vis de 15,875 mm de diamètre ne peut être appliquée qu'au type externe

Plans dimensionnels

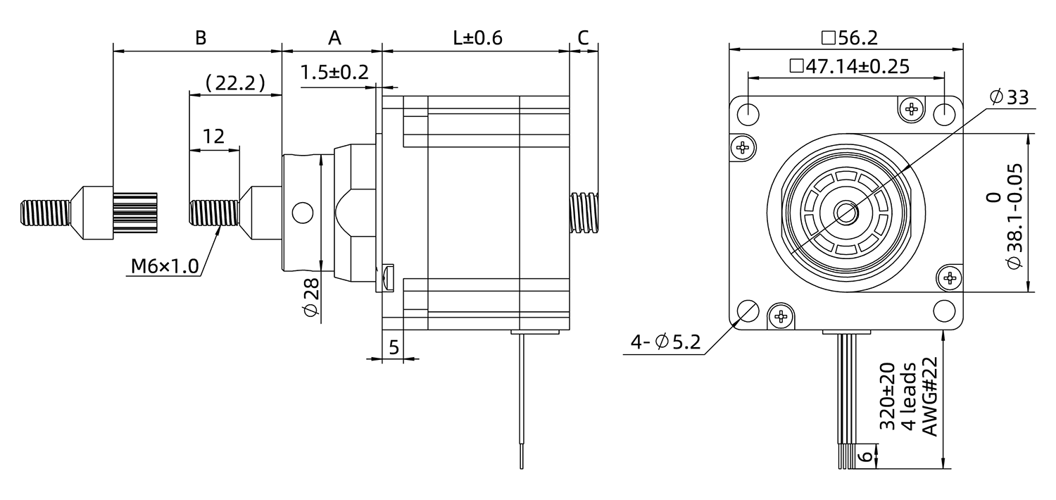
images de l'actionneur externe
dimension de l'actionneur externe
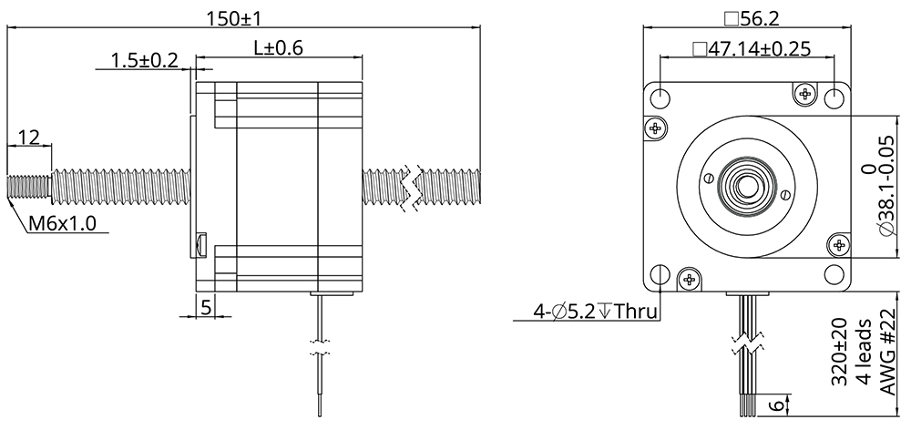
images de l'actionneur non-captif
dimension de l'actionneur non-captif
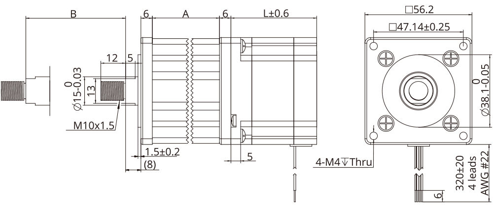
images de l'actionneur captif (Cylindre électrique)
dimension de l'actionneur captif (Cylindre électrique)
Spécifications de course
Dimension A
(mm)
Course B
(mm)
Dimension L (mm)
45,70 12,70 Moteur simple
Empiler
45
Double empilage
Moteur
65
52,05 19,05
58,40 25,40
64,80 31,80
71,10 38,10
83,80 50,80
96,50 63,50
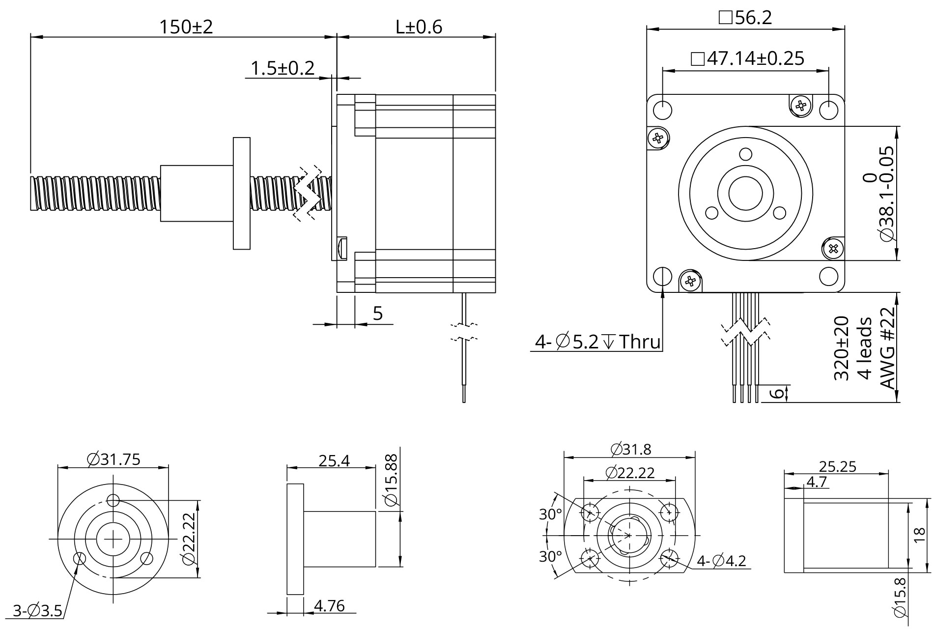
images de l'actionneur kaptive
dimension de l'actionneur kaptive
Spécifications de course
Dimension A
(mm)
Course B
(mm)
Dimension C (mm)
Empilement simple
L=45
Double empilage
L=65
24,2 12,7 5,8 0
30,55 19,05 11,65 1,65
36,9 25,4 18 8
43,25 31,75 24,35 14,35
49,6 38,1 30,7 20,7
62,3 50,8 43,4 33,4
75 63,5 56,1 46,1

Courbes de vitesse et de force

Conditions de test
Tension de test : 48Vdc, Modèle du pilote : DS-OLS4-FPD bipolaire, pilote chopper utilisé à courant nominal (rms).
La poussée du moteur peut varier selon la tension et le pilote utilisés. Une marge de sécurité de 50 % sur la poussée est recommandée.

Options

Usinage des extrémités de vis
usinage des extrémités de vis
Revêtement en Téflon

Si les applications nécessitent une combinaison vis-écrou sans graisse, DINGS propose des vis mères revêtues de Téflon pour ses actionneurs linéaire pas à pas.

Les actionneurs linéaires avec vis revêtue de Téflon offre une durée de vie plus longue et une meilleure force de poussée par rapport aux vis mères conventionnelles non-graissées.

Le revêtement Téflon peut être appliqué sur toute la gamme de vis mère de DINGS et sur tous les types d'actionneurs linéaires tels que Externes, Non captifs, Vérins électriques et Captifs.

De plus, un écrou à rattrapage de jeu peut également être combiné avec les vis revêtues de Téflon.

revêtement Téflon
Écrou Anti-Jeu Externe
Écrou Anti-Jeu Externe

* Selon la sélection du code de pas de vis différent, la longueur de l'écrou anti-jeu peut être modifiée.

Écrou Anti-Jeu Non-Captif
Écrou Anti-Jeu Non-Captif
Option Codeur
images de l'codeurEK2
images de l'codeurEK2

Dans un environnement mobile, vous pouvez déplacer de gauche à droite pour voir le contenu (tableaux).

Résolution(CPR) 50 100 192 200 250 256 360 400 500 720 900 1000 1250 2000 2500 4000 5000
Sortie Single Ended 0 1 2 3 4 5 6 7 8 9 10 11 12
Sortie différentielle A B C D E F G H I J K L M N O P Q
images de l'codeurEK3
images de l'codeurEK3

Dans un environnement mobile, vous pouvez déplacer de gauche à droite pour voir le contenu (tableaux).

Résolution(CPR) 64 100 200 500 1000 1800 2000 2500 3600 4000 5000 7200 8000 10000
Sortie Single Ended 0 1 2 3 4 5 6 7 8
Sortie différentielle A B C D E F G H I J K L M

* L'codeurEK3 n'est disponible que pour les actionneurs linéaires NEMA 23 (57 mm) Non-Captif et Kaptive.

Frein à coupure de courant [Disponible pour le moteur taille 23]

Taille 23 [57mm] Taille 23 [57mm]

In a mobile environment, you can move left and right to see the contents (tables).

Tension nominale DC 24V ± 5%
Résistance 141Ω ± 10%
Puissance 5W
Couple de maintien >2N.M
Isolation B
Résistance d'isolation >100MΩ (DC500V)
Force diélectrique AC 1000V for 1 sec
Temps de rétraction 50ms
Temps de libération 50ms
Angle de rotation
Temps de freinage d'urgence 200 cycles
Durée de vie 500,000 cycles
Niveau de bruit <60db
Taille 23 [57mm]