FRA

dings logo

Taille 24 [60mm] Actionneur Linéaire À Vis Sans Fin Avec Moteur Pas À Pas

L'actionneur linéaire pas à pas à vis mère de taille 24 [60mm] offre des performances élevées, un cycle de travail plus long et est capable de fournir 1050N.

L'actionneur linéaire à vis mère pas à pas de taille 24 est disponible en quatre formats - Externe, Non Captif, Cylindre Électrique (Captif) et Captif.

Images des actionneurs linéaires à vis mère pas à pas de taille 24 [60mm]

Caractéristiques du moteur

Dans un environnement mobile, vous pouvez faire défiler vers la gauche et la droite pour voir le contenu (tableaux).

MoteurTension[V]Current[A [RMS]]Resistance[Ω]Inductance[mH]Weight[g]Lead Wire No.Longueur du Moteur[mm]
24-2120321.53.9680447
24-21301.830.61.6680447
24-21401.640.40.9680447
24-22303313.41080468.3
24-22402.440.61.91080468.3
24-22501.550.31.21080468.3
NOTE

Classe d'isolation du moteur (B), élévation de la température du moteur 80 °C, température ambiante 20 °C ~ 55 °C.

Vis mères disponibles et résolution (déplacement par pas)

Dans un environnement mobile, vous pouvez faire défiler vers la gauche et la droite pour voir le contenu (tableaux).

Diamètre de la vis [pouce]Diamètre de la vis [mm]Avance [pouce]Avance [mm]Code d'avanceDéplacement par pas @ 1.8° [mm]*Déplacement par pas @ 0.9° [mm]*
0.3759.5250.0250.635A0.00320.0016
0.3759.5250.051.27D0.00640.0032
0.3759.5250.06251.5875F0.00790.004
0.3759.5250.0832.1167H0.01060.0053
0.3759.5250.12.54K0.01270.0064
0.3759.5250.1253.175L0.01590.0079
0.3759.5250.1674.2333P0.02120.0106
0.3759.5250.25.08R0.02540.0127
0.3759.5250.256.35S0.03180.0159
0.3759.5250.3759.525V0.04760.0238
0.3759.5250.3849.7536W0.04880.0244
0.3759.5250.410.16X0.05080.0254
0.3759.5250.512.7Y0.06350.0318
0.375 / 0.59.525 / 12.7125.4Z0.1270.0635
0.394 / 0.47210 / 120.07872G0.010.005
0.472120.19695E0.0250.0125
0.394 / 0.47210 / 120.393710C0.050.025
0.394100.787420I0.10.05
0.472120.509615CE0.0750.0375
0.472120.984325IE0.1250.0625

* Valeur tronquée
* L'actionneur linéaire à vis mère externe peut être structuré avec une vis de diamètre ф15,875mm.
* Les paramètres d'enroulement du moteur et la longueur de la vis peuvent être personnalisés selon les exigences du client.

* Valeur tronquée
* L'enroulement du moteur et la vis mère peuvent être personnalisés selon les besoins du client
* Une vis de diamètre 15,875mm ne peut être appliquée que dans le type externe

Dessins dimensionnels

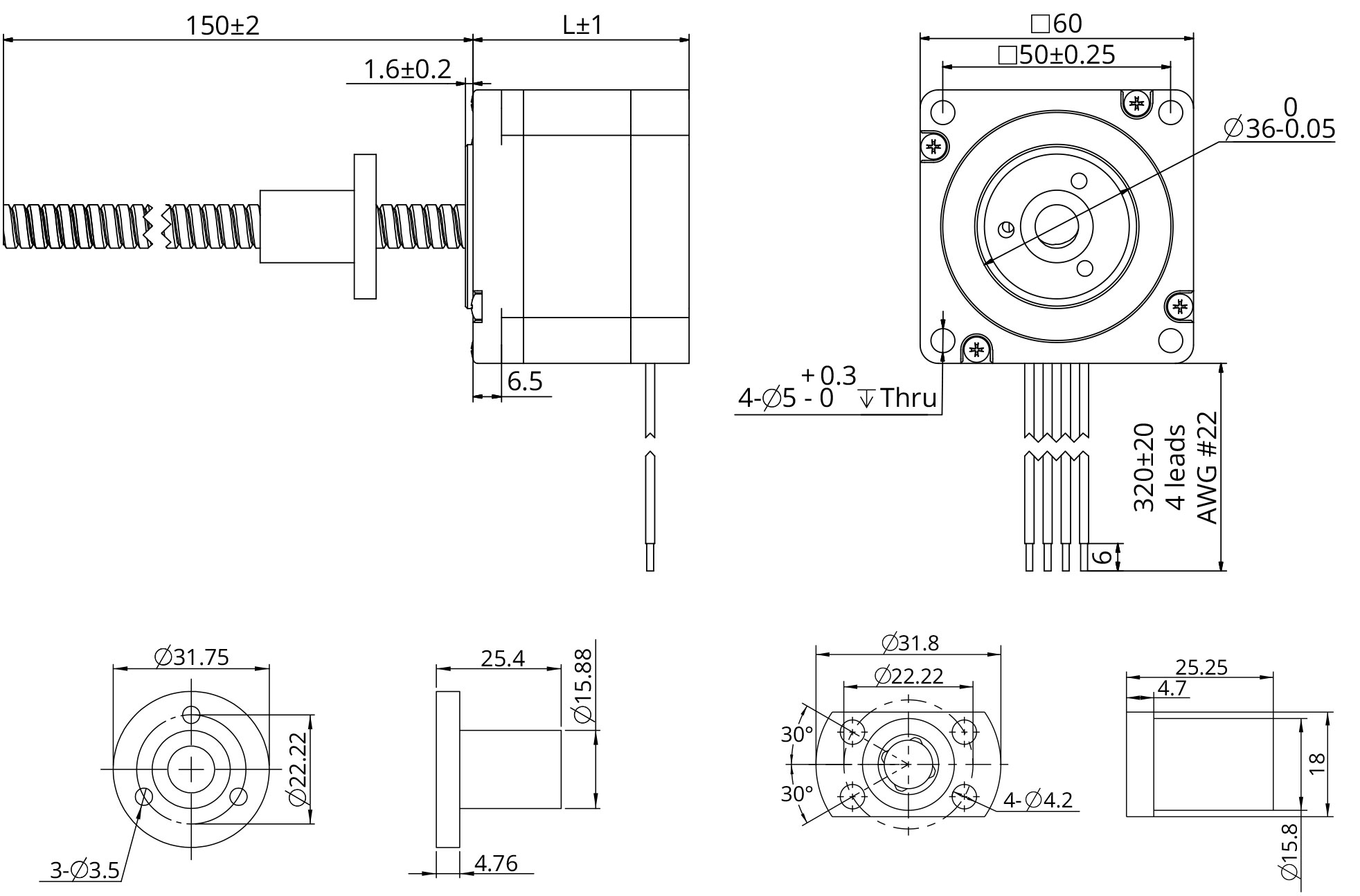
Images de l'actionneur externe
Dimensions de l'actionneur externe
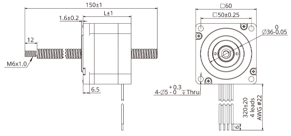
Images de l'actionneur non captif
Dimensions de l'actionneur non captif
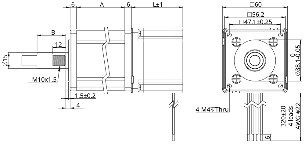
Images de l'actionneur captif (Cylindre Électrique)
Dimensions de l'actionneur captif (Cylindre Électrique)
Spécification de course
Dimension A
(mm)
Course B
(mm)
Dimension L (mm)
45.70 12.70 Moteur simple
47
Moteur double
68.3
52.05 19.05
58.40 25.40
64.80 31.80
71.10 38.10
83.80 50.80
96.50 63.50
Images de l'actionneur captif
Dimensions de l'actionneur captif
Spécification de course
Dimension A
(mm)
Course B
(mm)
Dimension C (mm)
Moteur simple
L=47
Moteur double
L=68.3
24.2 12.7 5.3 0
30.55 19.05 11.65 1.65
36.9 25.4 18 8
43.25 31.75 24.35 14.35
49.6 38.1 30.7 20.7
62.3 50.8 43.4 33.4
75 63.5 56.1 46.1

Courbes de vitesse et de force

Conditions de test
Tension de test : 48Vdc, Modèle du pilote : DS-OLS4-FPD bipolaire, pilote chopper utilisé à courant nominal (rms).
La poussée du moteur peut varier selon la tension et le pilote utilisés. Une marge de sécurité de 50 % sur la poussée est recommandée.

Options

Usinage de l'extrémité de la vis
usinage de l'extrémité de la vis
Revêtement en Téflon

Si les applications nécessitent une combinaison vis-écrou sans graisse, DINGS propose des vis mères revêtues de Téflon pour ses actionneurs linéaire pas à pas.

Les actionneurs linéaires avec vis revêtue de Téflon offre une durée de vie plus longue et une meilleure force de poussée par rapport aux vis mères conventionnelles non-graissées.

Le revêtement Téflon peut être appliqué sur toute la gamme de vis mère de DINGS et sur tous les types d'actionneurs linéaires tels que Externes, Non captifs, Vérins électriques et Captifs.

De plus, un écrou à rattrapage de jeu peut également être combiné avec les vis revêtues de Téflon.

revêtement en Téflon
Option Codeur
Images de l'codeurEK2
Images de l'codeurEK2

Dans un environnement mobile, vous pouvez faire défiler vers la gauche et la droite pour voir le contenu (tableaux).

Résolution (CPR) 50 100 192 200 250 256 360 400 500 720 900 1000 1250 2000 2500 4000 5000
Sortie Single Ended 0 1 2 3 4 5 6 7 8 9 10 11 12
Sortie différentielle A B C D E F G H I J K L M N O P Q
Images de l'codeurEK3
Images de l'codeurEK3

Dans un environnement mobile, vous pouvez faire défiler vers la gauche et la droite pour voir le contenu (tableaux).

Résolution (CPR) 64 100 200 500 1000 1800 2000 2500 3600 4000 5000 7200 8000 10000
Sortie Single Ended 0 1 2 3 4 5 6 7 8
Sortie différentielle A B C D E F G H I J K L M

* L'codeurEK3 n'est disponible que pour les actionneurs linéaires Non-Captif, Captif, Kaptive NEMA 24 (60mm).

Frein à coupure de courant [Disponible pour moteur taille 24]

24 [60mm] Taille 24 [60mm]

In a mobile environment, you can move left and right to see the contents (tables).

Tension nominale DC 24V ± 5%
Résistance 141Ω ± 10%
Puissance 5W
Couple de maintien >2N.M
Isolation B
Résistance d'isolation >100MΩ (DC500V)
Force diélectrique AC 1000V for 1 sec
Temps de rétraction 50ms
Temps de libération 50ms
Angle de rotation
Temps de freinage d'urgence 200 cycles
Durée de vie 500,000 cycles
Niveau de bruit <60db
Taille24 [60mm]