FRA

dings logo

Taille 34 [86mm] Actionneur Linéaire À Vis Sans Fin Avec Moteur Pas À Pas

L'actionneur linéaire à vis sans fin de taille 34 [86mm] est le plus grand en taille et peut fournir jusqu'à 2270N en continu.

L'actionneur linéaire à vis sans fin de taille 34 est disponible en deux formats - Externe et Non Captif

Images d'actionneurs linéaires à vis sans fin de taille 34 [86mm]

Caractéristiques du moteur

Sur mobile, vous pouvez faire défiler vers la gauche et la droite pour voir le contenu (tableaux).

MoteurTension[V]Courant[A [RMS]]Resistance[Ω]Inductance[mH]Masse[g]Lead Wire No.Longueur du Moteur[mm]
34-2113121.39.2712370476
34-21305.731.9152370476
34-21552.855.50.524.52370476
NOTE

Classe d'isolation du moteur (B), élévation de la température du moteur 80 °C, température ambiante 20 °C ~ 55 °C.

Vis mères disponibles et résolution (déplacement par pas)

Sur mobile, vous pouvez faire défiler vers la gauche et la droite pour voir le contenu (tableaux).

Diamètre de la vis [pouce]Diamètre de la vis [mm]Avance [pouce]Avance [mm]Code d'avanceDéplacement par pas @ 1.8° [mm]*
0.62515.8750.12.54K0.0127
0.62515.8750.1253.175L0.0159
0.62515.8750.25.08R0.0254
0.62515.8750.256.35S0.0318
0.62515.8750.512.7Y0.0635
0.62515.875125.4Z0.127

* Valeur tronquée
* Les paramètres d'enroulement du moteur et la longueur de la vis peuvent être personnalisés selon les exigences du client.

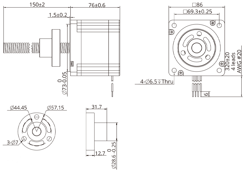
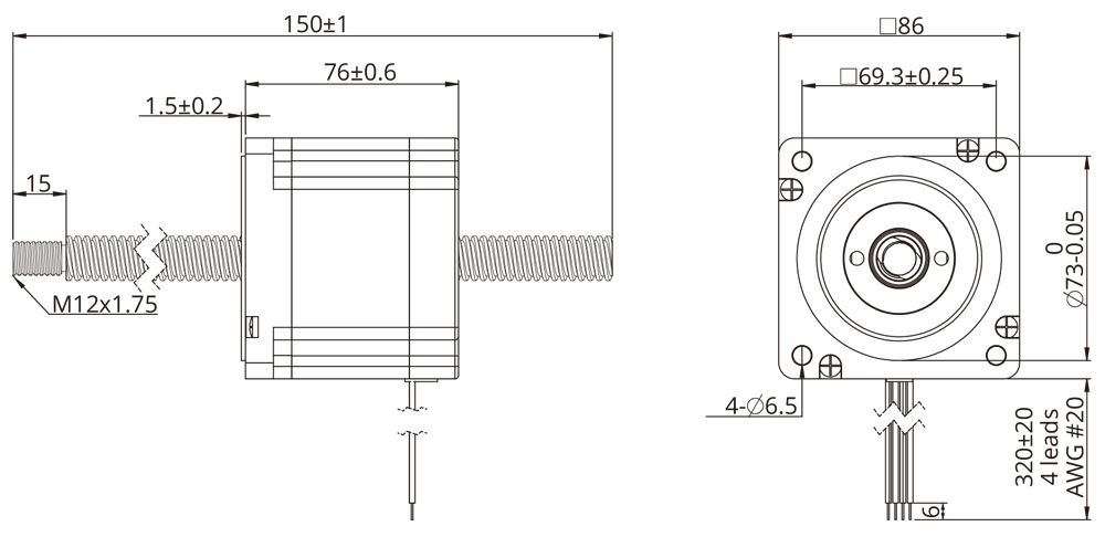
Plans dimensionnels

Courbes de vitesse et de force

image des courbes de poussée et de vitesse

Options

Usinage de l'extrémité de la vis
option d'usinage de l'extrémité de la vis
Revêtement en Téflon

Si les applications nécessitent une combinaison vis-écrou sans graisse, DINGS propose des vis mères revêtues de Téflon pour ses actionneurs linéaire pas à pas.

Les actionneurs linéaires avec vis revêtue de Téflon offre une durée de vie plus longue et une meilleure force de poussée par rapport aux vis mères conventionnelles non-graissées.

Le revêtement Téflon peut être appliqué sur toute la gamme de vis mère de DINGS et sur tous les types d'actionneurs linéaires tels que Externes, Non captifs, Vérins électriques et Captifs.

De plus, un écrou à rattrapage de jeu peut également être combiné avec les vis revêtues de Téflon.

revêtement en téflon
Option Codeur
Images d'codeurEK3
Images de sortie d'codeurEK3

Sur mobile, vous pouvez faire défiler vers la gauche et la droite pour voir le contenu (tableaux).

Résolution(CPR) 64 100 200 500 1000 1800 2000 2500 3600 4000 5000 7200 8000 10000
Sortie Single Ended 0 1 2 3 4 5 6 7 8
Sortie différentielle A B C D E F G H I J K L M
Frein de coupure de courant [Disponible pour moteur de taille 34]

Taille 34 [86mm] Taille 34 [86mm]

In a mobile environment, you can move left and right to see the contents (tables).

Tension nominale DC 24V ± 5%
Résistance 69Ω ± 10%
Puissance 12W
Couple de maintien >6N.M
Isolation B
Résistance d'isolation >100MΩ (DC500V)
Force diélectrique AC 1000V for 1 sec
Temps de rétraction 50ms
Temps de libération 50ms
Angle de rotation
Temps de freinage d'urgence 200 cycles
Durée de vie 500,000 cycles
Niveau de bruit <60db
Taille 34 [86mm]