FRA

dings logo

Taille 6 [14mm] Actionneur Linéaire À Vis Sans Fin Avec Moteur Pas À Pas

L'actionneur linéaire à vis mère pas à pas de taille 6 [14mm] occupe une surface de montage de 14 mm² mais offre une force de poussée maximale de 19 N.

Images des actionneurs linéaires à vis mère pas à pas de taille 6 [14mm]

Caractéristiques du moteur

Dans un environnement mobile, vous pouvez faire défiler vers la gauche et la droite pour voir le contenu (tableaux).

MoteurTension[V]Courant[A]Resistance[Ω]Inductance[mH]Masse[g]Lead Wire No.Longueur du Moteur[mm]
6-21036.60.25224.560432
NOTE

Classe d'isolation du moteur (B), élévation de la température du moteur 80 °C, température ambiante 20 °C ~ 55 °C.

Vis de guidage disponible et déplacement par pas

Dans un environnement mobile, vous pouvez faire défiler vers la gauche et la droite pour voir le contenu (tableaux).

Diamètre de la vis [pouce]Screw Dia.[mm]Avance [pouce]Avance [mm]Code d'avanceDéplacement par pas @ 1,8° [mm]*
0.1383.50.0240.6096AA0.003
0.1383.50.0481.2192B0.0061
0.1383.50.0962.4384J0.0122
0.1383.50.01180.3AF0.0015
0.098 / 0.1282.5 / 3.240.03941AB*0.005
0.1383.50.07872G0.01
0.1383.50.15754M0.02
0.1383.50.3158T0.04
0.1183.00.01970.5AD0.0025
  • * Le câblage du moteur et le pas de la vis peuvent être personnalisés selon les besoins du client.
    * Les axes traversants et fixes ne peuvent être sélectionnés qu'avec une vis de diamètre 2.5 mm.
    * Pour le type Kaptive, seul le code de vis AB est applicable.
  • * Valeur tronquée
 

Plans dimensionnels

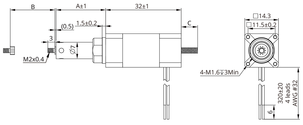
Images des actionneurs externes
Dimensions des actionneurs externes
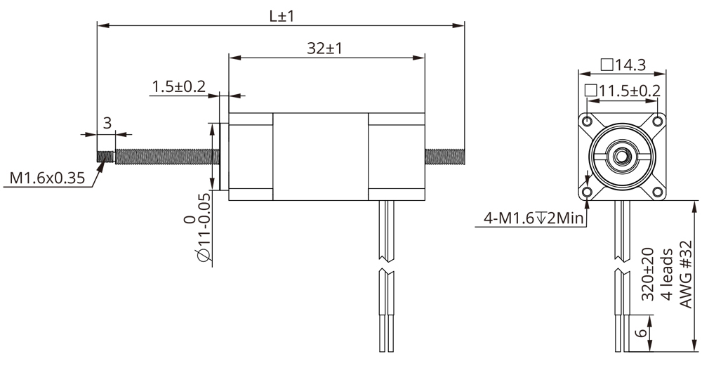
Images des actionneurs non captifs
Dimensions des actionneurs non captifs
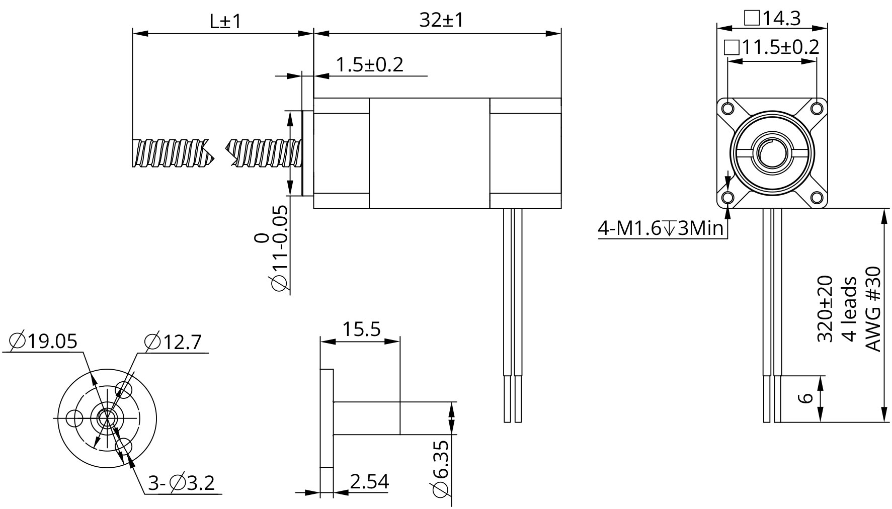
Images des actionneurs captifs
Dimensions des actionneurs captifs
Spécifications de course
Dimension A
(mm)
Course B
(mm)
Dimension C
(mm)
6 5 0
11 10 0
16 15 2
21 20 7

Courbes de vitesse et de force

Image des courbes de vitesse et de poussée
Conditions de test
Tension de test : 24Vdc, Modèle du pilote : DS-OLS2-FPD bipolaire, pilote chopper utilisé à courant nominal (rms).
La poussée du moteur peut varier selon la tension et le pilote utilisés. Une marge de sécurité de 50 % sur la poussée est recommandée.

Options

Usinage des extrémités de vis
Usinage des extrémités de vis
Revêtement Téflon

Si les applications nécessitent une combinaison vis-écrou sans graisse, DINGS propose des vis mères revêtues de Téflon pour ses actionneurs linéaire pas à pas.

Les actionneurs linéaires avec vis revêtue de Téflon offre une durée de vie plus longue et une meilleure force de poussée par rapport aux vis mères conventionnelles non-graissées.

Le revêtement Téflon peut être appliqué sur toute la gamme de vis mère de DINGS et sur tous les types d'actionneurs linéaires tels que Externes, Non captifs, Vérins électriques et Captifs.

De plus, un écrou à rattrapage de jeu peut également être combiné avec les vis revêtues de Téflon.

Revêtement Téflon
Option Codeur
Images de l'encodeur E16
Images de l'encodeur E16

Dans un environnement mobile, vous pouvez faire défiler vers la gauche et la droite pour voir le contenu (tableaux).

Résolution (CPR) 250 256 500 512 1000 1024 2000 2048 4000 4096
Sortie Single Ended 0 1 2 3 4 5 6 7 8 9