FRA

dings logo

Taille 11 [28mm] DLG/DRS Actionneur Linéaire À Vis À Billes Avec Moteur Pas À Pas et guidage intégré

La série DLG est un produit qui intègre un moteur pas à pas et une vis à billes avec un guidage pour obtenir un mouvement linéaire précis.

Avec un guide à bille, la série DLG permet de réduire les composants mécaniques tels que les accouplements ou d'autres pièces. Ainsi, elle permet aux clients de concevoir un positionnement miniaturisé et de haute précision dans l'appareil.

La taille 28 [NEMA 11] de la série DLG est le plus petit produit DLG avec une course de 30mm. Si le client le souhaite, une version sans guide, la série DRS, peut également être proposée.

Taille 11 [28mm] Actionneurs linéaires à vis à billes

Caractéristiques du moteur

Sur un appareil mobile, vous pouvez déplacer le tableau horizontalement pour voir son contenu.

Model No.Rated Voltage[V]Current[A [RMS]]Resistance[Ω]Inductance[mH]Lead Wire No.Motor Length "L"[mm]
DLG28S12.112.11.5433.5
DLG28D13.90.954.14445

Caractéristiques de l'actionneur

Sur un appareil mobile, vous pouvez déplacer le tableau horizontalement pour voir son contenu.

Course 30mm
Poussée maximale 30N
Précision de repositionnement 0.01mm
Pas de vis à billes en option 1mm/2mm

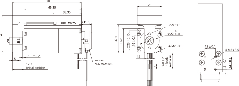
Dessins dimensionnels

Courbes de vitesse et de force

Conditions de test
Tension de test : 24Vdc, Modèle du pilote : DS-OLS2-FPD bipolaire, pilote chopper utilisé à courant nominal (rms).
La poussée du moteur peut varier selon la tension et le pilote utilisés. Une marge de sécurité de 50 % sur la poussée est recommandée.

Options

Option Codeur
images d'codeur EK1
images d'codeur EK1

Sur un appareil mobile, vous pouvez déplacer le tableau horizontalement pour voir son contenu.

Résolution (CPR) 100 108 120 125 128 200 250 256 300 360 400 500
Sortie simple 0 1 2 3 4 5 6 7 8 9 10 11
Sortie différentielle A B C D E F G H I J K L
Frein à désactivation [Disponible pour moteur de taille 11]

Size 11 [28mm]

In a mobile environment, you can move left and right to see the contents (tables).

Tension nominale DC 24V ± 5%
Résistance 143.7Ω ± 10%
Puissance 5.5W
Couple de maintien >0.3N.M
Isolation B
Résistance d'isolation >100MΩ (DC500V)
Force diélectrique AC 1000V for 1 sec
Temps de rétraction 50ms
Temps de libération 50ms
Angle de rotation
Temps de freinage d'urgence 200 cycles
Durée de vie 500,000 cycles
Niveau de bruit <60db
Taille 11 [28mm]
<