FRA

dings logo

Taille 11 [28mm] Actionneur Linéaire À Vis À Billes Avec Moteur Pas À Pas

Le taille 11 [28mm] Actionneur linéaire à vis à billes pas à pas externe.

Différentes options d'usinage des extrémités des vis, d'codeurs et de freins à coupure de courant sont disponibles.

Taille 11 [28mm] Actionneurs linéaires à vis à billes pas à pas

Caractéristiques du moteur

Dans un environnement mobile, vous pouvez déplacer vers la gauche et la droite pour voir le contenu (tableaux).

N° de modèleTension nominale[V]Courant[A [RMS]]Résistance[Ω]Inductance[mH]Nombre de fils de connexionLongueur du moteur "L"[mm]
11E21102.112.11.5433.35
11E22093.90.954.14445

Spécifications de la vis à billes

Dans un environnement mobile, vous pouvez déplacer vers la gauche et la droite pour voir le contenu (tableaux).

Type de vis à billes 0601 0602 0606
Taille de bille Ф0.8 Ф0.8 Ф0.8
Nombre de filets 1 1 2
Direction du filetage Right
Diamètre à la racine de l'arbre Ф5.3 Ф5.1 Ф5.2
Nombre de circuits 3.7×1 2.7×1 1.6×2
Matériau de l'arbre et de l'écrou SCM415H
Dureté de surface HRC58~62
Traitement antirouille Anti-rust oil
Classe C7
Taille de l'écrouABCDHWXEJeu axial (mm)Charge dynamique[N]Charge statique[N]
BS0601243.5151216183.4 ≤0.026801200
BS0602294171519223.4 ≤0.028801500
BS060627417.21416213.45.2≤0.028701450

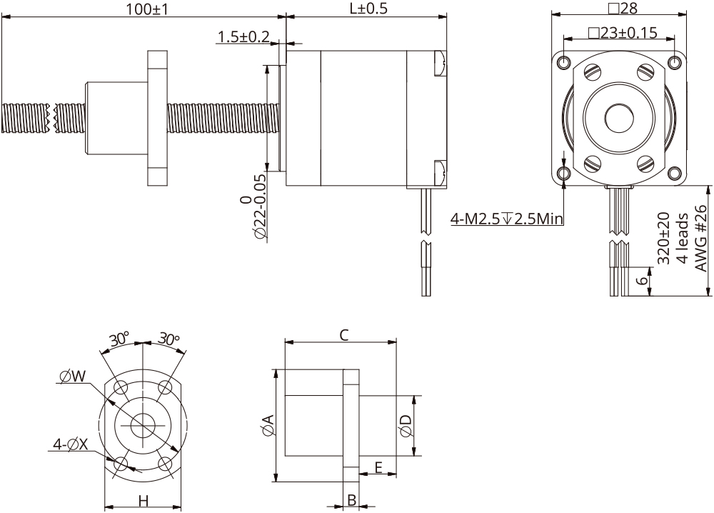
Dessins dimensionnels

Courbes de vitesse et de force

Conditions de test
Tension de test : 24Vdc, Modèle du pilote : DS-OLS2-FPD bipolaire, pilote chopper utilisé à courant nominal (rms).
La poussée du moteur peut varier selon la tension et le pilote utilisés. Une marge de sécurité de 50 % sur la poussée est recommandée.

Options

Usinage de l'extrémité de la vis
option d'usinage de l'extrémité de la vis
Option Codeur
images de l'codeur EK1
images de l'codeur EK1

Dans un environnement mobile, vous pouvez déplacer vers la gauche et la droite pour voir le contenu (tableaux).

Résolution(CPR) 100 108 120 125 128 200 250 256 300 360 400 500 1000 512 720 800
Sortie à une extrémité 0 1 2 3 4 5 6 7 8 9 10 11 12 13 14 15
Sortie différentielle A B C D E F G H I J K L M N O P
Frein à coupure de courant [Disponible pour moteur de taille 11]

Size 11 [28mm]

In a mobile environment, you can move left and right to see the contents (tables).

Tension nominale DC 24V ± 5%
Résistance 143.7Ω ± 10%
Puissance 5.5W
Couple de maintien >0.3N.M
Isolation B
Résistance d'isolation >100MΩ (DC500V)
Force diélectrique AC 1000V for 1 sec
Temps de rétraction 50ms
Temps de libération 50ms
Angle de rotation
Temps de freinage d'urgence 200 cycles
Durée de vie 500,000 cycles
Niveau de bruit <60db
Taille 11 [28mm]
<