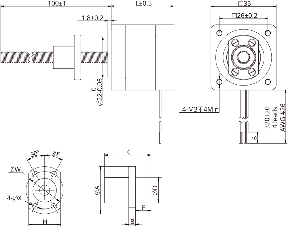
L'actionneur linéaire à vis à billes externe de taille 14 [35mm].
Options disponibles pour l'usinage des extrémités de vis, les codeurs et les freins à coupure de courant.
Dans un environnement mobile, vous pouvez déplacer vers la gauche et la droite pour voir le contenu (tableaux).
| N° de modèle | Tension nominale[V] | Courant[A [RMS]] | Résistance[Ω] | Inductance[mH] | N° de fils de connexion | Longueur du moteur "L"[mm] |
|---|---|---|---|---|---|---|
| 14E2110 | 3.5 | 1 | 3.5 | 3.6 | 4 | 33.6 |
| 14E2115 | 2.7 | 1.5 | 1.8 | 1.9 | 4 | 33.6 |
| 14E2210 | 6 | 1 | 6 | 7.2 | 4 | 45.6 |
| 14E2215 | 4 | 1.5 | 2.7 | 3.2 | 4 | 45.6 |
Dans un environnement mobile, vous pouvez déplacer vers la gauche et la droite pour voir le contenu (tableaux).
| Type de vis à billes | 0601 | 0602 | 0606 | 0801 | 0802 | 0805 | 0808 | 0810 |
|---|---|---|---|---|---|---|---|---|
| Taille de la bille | Ф0.8 | Ф0.8 | Ф0.8 | Ф0.8 | Ф1.5875 | Ф1.5875 | Ф1.5875 | Ф1.5875 |
| Nombre de filets | 1 | 1 | 2 | 1 | 1 | 1 | 2 | 2 |
| Direction du filetage | Right | |||||||
| Diamètre à la racine de l'arbre | Ф5.3 | Ф5.1 | Ф5.2 | Ф7.3 | Ф6.6 | Ф6.6 | Ф6.7 | Ф6.7 |
| Nombre de circuits | 3.7×1 | 2.7×1 | 1.6×2 | 3.7×1 | 3.7×1 | 2.7×1 | 1.6×2 | 1.6×2 |
| Matériau de l'arbre et de l'écrou | SCM415H | |||||||
| Dureté de surface | HRC58~62 | |||||||
| Traitement antirouille | Anti-rust oil | |||||||
| Grade | C7 | |||||||
| Taille de l'écrou | A | B | C | D | H | W | X | E | Jeu axial (mm) | Charge dynamique[N] | Charge statique[N] |
|---|---|---|---|---|---|---|---|---|---|---|---|
| BS0601 | 24 | 3.5 | 15 | 12 | 16 | 18 | 3.4 | ≤0.02 | 680 | 1200 | |
| BS0602 | 29 | 4 | 17 | 15 | 19 | 22 | 3.4 | ≤0.02 | 880 | 1500 | |
| BS0606 | 27 | 4 | 17.2 | 14 | 16 | 21 | 3.4 | 5.2 | ≤0.02 | 870 | 1450 |
| BS0801 | 26 | 4 | 16 | 13 | 17 | 20 | 3.4 | ≤0.02 | 780 | 1650 | |
| BS0802 | 27 | 4 | 16 | 14 | 18 | 21 | 3.4 | ≤0.02 | 1300 | 2300 | |
| BS0805 | 31 | 4 | 28 | 18 | 20 | 25 | 3.4 | ≤0.02 | 1850 | 3000 | |
| BS0808 | 31 | 4 | 21.5 | 18 | 20 | 25 | 3.4 | 6 | ≤0.02 | 2200 | 3800 |
| BS0810 | 31 | 4 | 24 | 18 | 20 | 25 | 3.4 | 7 | ≤0.02 | 2200 | 3900 |
Dans un environnement mobile, vous pouvez déplacer vers la gauche et la droite pour voir le contenu (tableaux).
| Résolution(CPR) | 100 | 108 | 120 | 125 | 128 | 200 | 250 | 256 | 300 | 360 | 400 | 500 | 1000 | 512 | 720 | 800 |
| Sortie en mode commun | 0 | 1 | 2 | 3 | 4 | 5 | 6 | 7 | 8 | 9 | 10 | 11 | 12 | 13 | 14 | 15 |
| Sortie différentielle | A | B | C | D | E | F | G | H | I | J | K | L | M | N | O | P |
Dans un environnement mobile, vous pouvez déplacer vers la gauche et la droite pour voir le contenu (tableaux).
| Résolution(CPR) | 50 | 100 | 192 | 200 | 250 | 256 | 360 | 400 | 500 | 720 | 900 | 1000 | 1250 | 2000 | 2500 | 4000 | 5000 |
| Sortie en mode commun | 0 | 1 | 2 | 3 | 4 | 5 | 6 | 7 | 8 | 9 | 10 | 11 | 12 | ||||
| Sortie différentielle | A | B | C | D | E | F | G | H | I | J | K | L | M | N | O | P | Q |
In a mobile environment, you can move left and right to see the contents (tables).
| Tension nominale | DC 24V ± 5% | |
|---|---|---|
| Résistance | 217Ω ± 10% | |
| Puissance | 4W | |
| Couple de maintien | >0.3N.M | |
| Isolation | B | |
| Résistance d'isolation | >100MΩ (DC500V) | |
| Force diélectrique | AC 1000V for 1 sec | |
| Temps de rétraction | 50ms | |
| Temps de libération | 50ms | |
| Angle de rotation | 1° | |
| Temps de freinage d'urgence | 200 cycles | |
| Durée de vie | 500,000 cycles | |
| Niveau de bruit | <60db | |