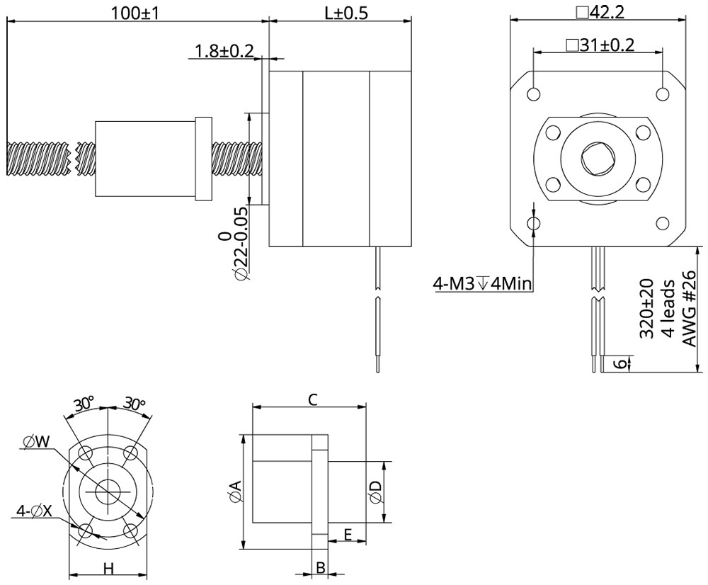
L'actionneur linéaire externe à vis à billes de taille 17.
Options disponibles : différents usinages d'extrémité de vis, codeurs et freins à coupure de courant.
Dans un environnement mobile, vous pouvez déplacer vers la gauche et la droite pour voir le contenu (tableaux).
| N° de modèle | Tension nominale[V] | Courant[A [RMS]] | Résistance[Ω] | Inductance[mH] | Nombre de fils de connexion | Longueur du moteur "L"[mm] |
|---|---|---|---|---|---|---|
| 17E2110 | 3.8 | 1 | 3.8 | 5 | 4 | 34.1 |
| 17E2115 | 2.78 | 1.5 | 1.85 | 2.2 | 4 | 34.1 |
| 17E2212 | 4.56 | 1.2 | 3.8 | 8 | 4 | 48.1 |
| 17E2225 | 2.5 | 2.5 | 1.0 | 1.8 | 4 | 48.1 |
Dans un environnement mobile, vous pouvez déplacer vers la gauche et la droite pour voir le contenu (tableaux).
| Type de vis à billes | 0801 | 0802 | 0805 | 0808 | 0810 |
|---|---|---|---|---|---|
| Taille de la bille | Ф0.8 | Ф1.5875 | Ф1.5875 | Ф1.5875 | Ф1.5875 |
| Nombre de filets | 1 | 1 | 1 | 2 | 2 |
| Direction du filetage | Right | ||||
| Diamètre à la racine de l'arbre | Ф7.3 | Ф6.6 | Ф6.6 | Ф6.7 | Ф6.7 |
| Nombre de circuits | 3.7×1 | 3.7×1 | 2.7×1 | 1.6×2 | 1.6×2 |
| Matériau de l'arbre et de l'écrou | SCM415H | ||||
| Dureté de surface | HRC58~62 | ||||
| Traitement antirouille | Anti-rust oil | ||||
| Qualité | C7 | ||||
| Taille de l'écrou | A | B | C | D | H | W | X | E | Jeu axial (mm) | Charge dynamique[N] | Charge statique[N] |
|---|---|---|---|---|---|---|---|---|---|---|---|
| BS0801 | 26 | 4 | 16 | 13 | 17 | 20 | 3.4 | ≤0.02 | 780 | 1650 | |
| BS0802 | 27 | 4 | 16 | 14 | 18 | 21 | 3.4 | ≤0.02 | 1300 | 2300 | |
| BS0805 | 31 | 4 | 28 | 18 | 20 | 25 | 3.4 | ≤0.02 | 1850 | 3000 | |
| BS0808 | 31 | 4 | 21.5 | 18 | 20 | 25 | 3.4 | 6 | ≤0.02 | 2200 | 3800 |
| BS0810 | 31 | 4 | 24 | 18 | 20 | 25 | 3.4 | 7 | ≤0.02 | 2200 | 3900 |
Dans un environnement mobile, vous pouvez déplacer vers la gauche et la droite pour voir le contenu (tableaux).
| Résolution (CPR) | 100 | 108 | 120 | 125 | 128 | 200 | 250 | 256 | 300 | 360 | 400 | 500 | 1000 | 512 | 720 | 800 |
| Sortie à une extrémité | 0 | 1 | 2 | 3 | 4 | 5 | 6 | 7 | 8 | 9 | 10 | 11 | 12 | 13 | 14 | 15 |
| Sortie différentielle | A | B | C | D | E | F | G | H | I | J | K | L | M | N | O | P |
Dans un environnement mobile, vous pouvez déplacer vers la gauche et la droite pour voir le contenu (tableaux).
| Résolution (CPR) | 50 | 100 | 192 | 200 | 250 | 256 | 360 | 400 | 500 | 720 | 900 | 1000 | 1250 | 2000 | 2500 | 4000 | 5000 |
| Sortie à une extrémité | 0 | 1 | 2 | 3 | 4 | 5 | 6 | 7 | 8 | 9 | 10 | 11 | 12 | ||||
| Sortie différentielle | A | B | C | D | E | F | G | H | I | J | K | L | M | N | O | P | Q |
In a mobile environment, you can move left and right to see the contents (tables).
| Tension nominale | DC 24V ± 5% | |
|---|---|---|
| Résistance | 145Ω ± 10% | |
| Puissance | 5W | |
| Couple de maintien | >0.8N.M | |
| Isolation | B | |
| Résistance d'isolation | >100MΩ (DC500V) | |
| Force diélectrique | AC 1000V for 1 sec | |
| Temps de rétraction | 50ms | |
| Temps de libération | 50ms | |
| Angle de rotation | 1° | |
| Temps de freinage d'urgence | 200 cycles | |
| Durée de vie | 500,000 cycles | |
| Niveau de bruit | <60db | |