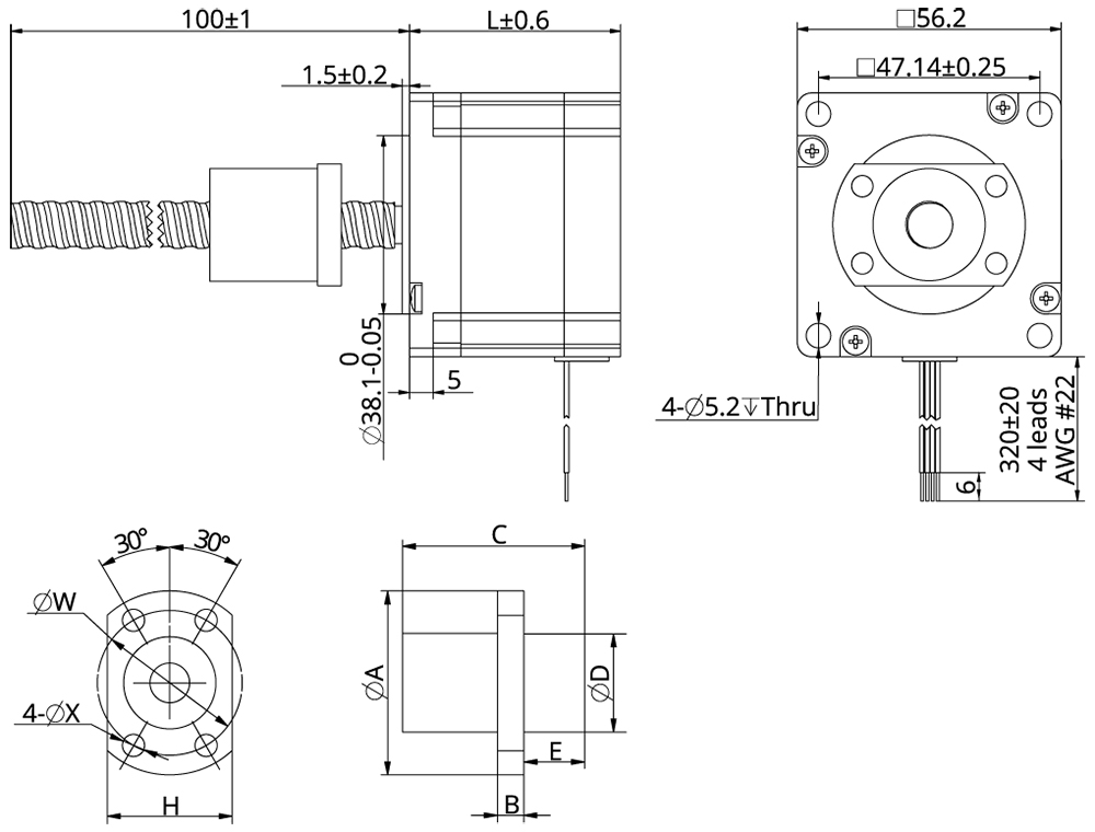
L'actionneur linéaire à vis à billes pas à pas de taille 23.
Options disponibles pour l'usinage de l'extrémité de la vis, les codeurs et les freins à coupure de courant.
Dans un environnement mobile, vous pouvez déplacer vers la gauche et la droite pour voir le contenu (tableaux).
| Model No. | Rated Voltage[V] | Current[A [RMS]] | Resistance[Ω] | Inductance[mH] | Lead Wire No. | Motor Length "L"[mm] |
|---|---|---|---|---|---|---|
| 23E2120 | 3.5 | 2 | 1.75 | 4.1 | 4 | 45 |
| 23E2130 | 2.4 | 3 | 0.8 | 1.7 | 4 | 45 |
| 23E2225 | 5 | 2.5 | 2 | 5.2 | 4 | 65 |
| 23E2240 | 2.8 | 4 | 0.7 | 2 | 4 | 65 |
Dans un environnement mobile, vous pouvez déplacer vers la gauche et la droite pour voir le contenu (tableaux).
| Type de vis à billes | 1002 | 1004 | 1005 | 1010 | 1015 | 1020 | 1202 | 1210 |
|---|---|---|---|---|---|---|---|---|
| Taille de bille | Ф1.5875 | Ф2.0 | Ф2.0 | Ф2.0 | Ф2.0 | Ф1.5875 | Ф1.5875 | Ф2.381 |
| Nombre de filets | 1 | 1 | 1 | 2 | 2 | 4 | 1 | 2 |
| Direction du filetage | Right | |||||||
| Diamètre à la racine de l'arbre | Ф8.6 | Ф8.2 | Ф8.2 | Ф8.4 | Ф8.4 | Ф8.7 | Ф10.6 | Ф10.2 |
| Nombre de circuits | 3.7×1 | 2.7×1 | 2.7×1 | 1.6×2 | 1.6×2 | 0.7×4 | 3.7×1 | 1.7 x 2 |
| Matériau de l'arbre et de l'écrou | SCM415H | |||||||
| Dureté de surface | HRC58~62 | |||||||
| Traitement antirouille | Anti-rust oil | |||||||
| Classe | C7 | |||||||
| Taille de l'écrou | A | B | C | D | H | W | X | E | Jeu axial (mm) | Charge dynamique[N] | Charge statique[N] |
|---|---|---|---|---|---|---|---|---|---|---|---|
| BS1202 | 37 | 5 | 28 | 20 | 24 | 29 | 4.5 | ≤0.02 | 1600 | 3700 | |
| BS1205 | 40 | 10 | 30 | 24 | 30 | 32 | 4.5 | 15 | ≤0.02 | 6610 | 13160 |
| BS1210 | 40 | 10 | 42 | 24 | 30 | 32 | 4.5 | 27 | ≤0.02 | 6420 | 12870 |
| BS1220 | 40 | 5 | 46 | 24 | 24 | 32 | 4.5 | 37 | ≤0.02 | 6700 | 10100 |
Dans un environnement mobile, vous pouvez déplacer vers la gauche et la droite pour voir le contenu (tableaux).
| Résolution(CPR) | 50 | 100 | 192 | 200 | 250 | 256 | 360 | 400 | 500 | 720 | 900 | 1000 | 1250 | 2000 | 2500 | 4000 | 5000 |
| Sortie simple | 0 | 1 | 2 | 3 | 4 | 5 | 6 | 7 | 8 | 9 | 10 | 11 | 12 | ||||
| Sortie différentielle | A | B | C | D | E | F | G | H | I | J | K | L | M | N | O | P | Q |
Dans un environnement mobile, vous pouvez déplacer vers la gauche et la droite pour voir le contenu (tableaux).
| Résolution(CPR) | 64 | 100 | 200 | 500 | 1000 | 1800 | 2000 | 2500 | 3600 | 4000 | 5000 | 7200 | 8000 | 10000 |
| Sortie simple | 0 | 1 | 2 | 3 | 4 | 5 | 6 | 7 | 8 | |||||
| Sortie différentielle | A | B | C | D | E | F | G | H | I | J | K | L | M |
In a mobile environment, you can move left and right to see the contents (tables).
| Tension nominale | DC 24V ± 5% | |
|---|---|---|
| Résistance | 141Ω ± 10% | |
| Puissance | 5W | |
| Couple de maintien | >2N.M | |
| Isolation | B | |
| Résistance d'isolation | >100MΩ (DC500V) | |
| Force diélectrique | AC 1000V for 1 sec | |
| Temps de rétraction | 50ms | |
| Temps de libération | 50ms | |
| Angle de rotation | 1° | |
| Temps de freinage d'urgence | 200 cycles | |
| Durée de vie | 500,000 cycles | |
| Niveau de bruit | <60db | |