FRA

dings logo

Taille 6 [14mm] Actionneur Linéaire À Vis À Billes Avec Moteur Pas À Pas

La taille 6 est notre plus petit actionneur linéaire à vis à billes avec moteur pas à pas.

La version externe est disponible.

Différentes options d'usinage d'extrémité de vis et de codeurs sont disponibles.

Taille 6 [14mm] Actionneurs linéaires à vis à billes avec moteur pas à pas

Caractéristiques du moteur

Dans un environnement mobile, vous pouvez déplacer vers la gauche et la droite pour voir le contenu (tables).

N° de modèleTension nominale[V]Courant[A [RMS]]Résistance[Ω]Inductance[mH]Nombre de fils conducteursLongueur du moteur "L"[mm]
6E21036.60.25223.6432

Spécifications de la vis à billes

Dans un environnement mobile, vous pouvez déplacer vers la gauche et la droite pour voir le contenu (tables).

Type de vis à billes 0401 0402
Taille de bille Ф0.8 Ф0.8
Nombre de filets 1 1
Sens du filetage Droit
Diamètre à la racine de l'arbre Ф3.3
Nombre de circuits 3.7×1 2.7×1
Matériau de l'arbre et de l'écrou SCM415H
Dureté de surface HRC58~62
Traitement antirouille Huile antirouille
Classe C7
Taille de l'écrouABCDHWXJeu axialCharge dynamique[N]Charge statique[N]
BS040119613813142.9≤0.02560790
BS0402234191115173.4≤0.02420570

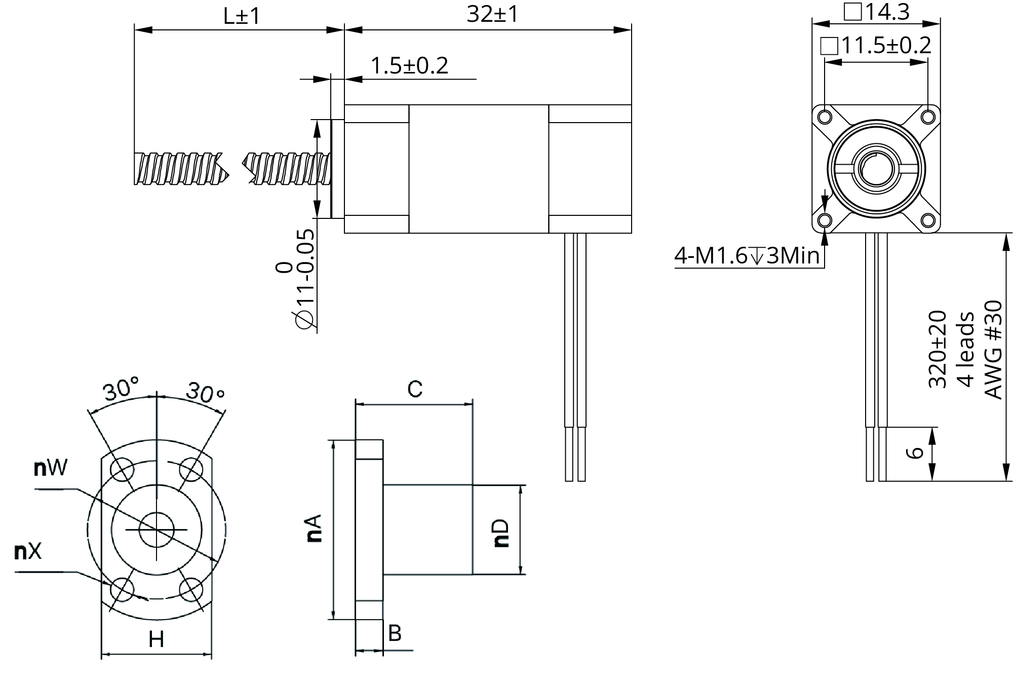
Dessins dimensionnels

Courbes de vitesse et de force

image des courbes de poussée de vitesse

Options

Usinage d'extrémité de vis
option usinage d'extrémité de vis
Option Codeur
images de l'codeurE16
images de l'codeurE16

Dans un environnement mobile, vous pouvez déplacer vers la gauche et la droite pour voir le contenu (tables).

Résolution(CPR) 250 256 500 512 1000 1024 2000 2048 4000 4096
Sortie simple 0 1 2 3 4 5 6 7 8 9