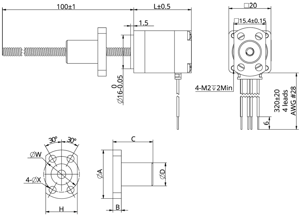
L'actionneur linéaire à vis à billes avec moteur pas à pas de taille 8 [20mm] en version externe.
Différentes options d'usinage d'extrémité de vis et d'codeur sont disponibles.
Dans un environnement mobile, vous pouvez déplacer vers la gauche et la droite pour voir le contenu (tables).
| Model No. | Rated Voltage[V] | Current[A [RMS]] | Resistance[Ω] | Inductance[mH] | Lead Wire No. | Motor Length "L"[mm] |
|---|---|---|---|---|---|---|
| 8E2105 | 2.55 | 0.5 | 5.1 | 1.5 | 4 | 27.2 |
| 8E2205 | 4.4 | 0.5 | 8.8 | 2.7 | 4 | 38.1 |
Dans un environnement mobile, vous pouvez déplacer vers la gauche et la droite pour voir le contenu (tables).
| Type de vis à billes | 0401 | 0402 |
|---|---|---|
| Taille des billes | Ф0.8 | Ф0.8 |
| Nombre de filets | 1 | 1 |
| Direction du filetage | Droite | |
| Diamètre à la base de l'arbre | Ф3.3 | |
| Nombre de circuits | 3.7×1 | 2.7×1 |
| Matériau de l'arbre et de l'écrou | SCM415H | |
| Dureté de surface | HRC58~62 | |
| Traitement antirouille | Huile antirouille | |
| Grade | C7 | |
| Taille de l'écrou | A | B | C | D | H | W | X | Jeu axial (mm) | Charge dynamique[N] | Charge statique[N] |
|---|---|---|---|---|---|---|---|---|---|---|
| BS0401 | 19 | 3 | 13 | 9 | 13 | 14 | 2.9 | ≤0.02 | 560 | 790 |
| BS0402 | 23 | 4 | 19 | 11 | 15 | 17 | 3.4 | ≤0.02 | 420 | 570 |
Dans un environnement mobile, vous pouvez déplacer vers la gauche et la droite pour voir le contenu (tables).
| Résolution(CPR) | 100 | 108 | 120 | 125 | 128 | 200 | 250 | 256 | 300 | 360 | 400 | 500 | 1000 | 512 | 720 | 800 |
| Sortie simple | 0 | 1 | 2 | 3 | 4 | 5 | 6 | 7 | 8 | 9 | 10 | 11 | 12 | 13 | 14 | 15 |
| Sortie différentielle | A | B | C | D | E | F | G | H | I | J | K | L | M | N | O | P |
In a mobile environment, you can move left and right to see the contents (tables).
| Tension nominale | DC 24V ± 5% | |
|---|---|---|
| Résistance | 55Ω ± 10% | |
| Puissance | 9.6W | |
| Couple de maintien | >0.06N.M | |
| Isolation | B | |
| Résistance d'isolation | >100MΩ (DC500V) | |
| Force diélectrique | AC 1000V for 1 sec | |
| Temps de rétraction | 50ms | |
| Temps de libération | 50ms | |
| Angle de rotation | 1° | |
| Temps de freinage d'urgence | 200 cycles | |
| Durée de vie | 500,000 cycles | |
| Niveau de bruit | <60db | |