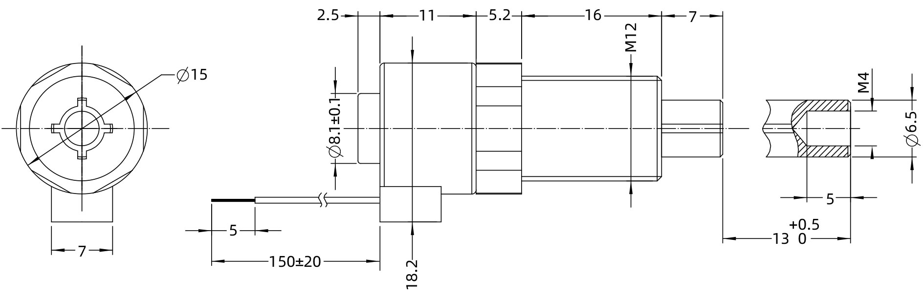
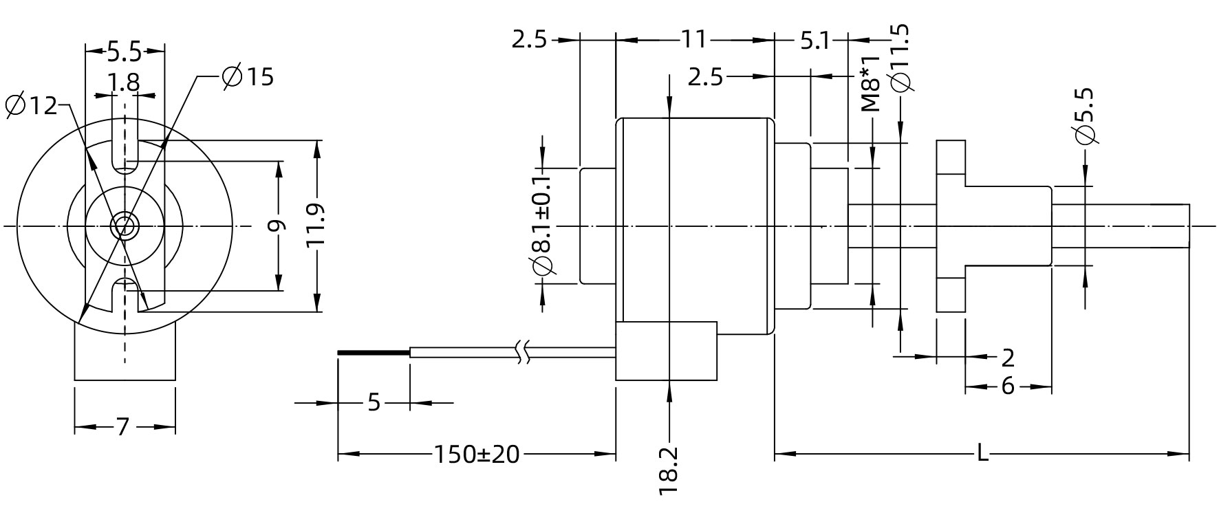
L'actionneur linéaire PM Stepper de taille 15 mm est disponible en version externe et captif. Des options de personnalisation de l'usinage des extrémités de vis et de la longueur sont également disponibles.
Dans un environnement mobile, vous pouvez faire défiler vers la gauche et la droite pour voir le contenu (tableaux).
| Cadre 15mm | ||||
|---|---|---|---|---|
| Polarité | Bi-Polar | |||
| Type d'actionneur linéaire | Externe, captif | |||
| Angle de pas | 18° | |||
| Enroulement | 4V | 5V | 12V | |
| Courant par phase | 200mA | 160mA | 70mA | |
| Résistance de phase | 20Ω | 33Ω | 180Ω | |
| Inductance de phase | 506mH | 8.7mH | 49mH | |
| Consommation d'énergie | 1.6W | |||
| Inertie du rotor | 1gcm2 | |||
| Classe d'isolation | E | |||
| Résistance d'isolation | 100MΩ | |||
| Masse | 15g | |||
Dans un environnement mobile, vous pouvez faire défiler vers la gauche et la droite pour voir le contenu (tableaux).
| Angle de pas | Pas de vis | Déplacement par pas | Code du pas de vis | ||
|---|---|---|---|---|---|
| mm | inch | mm | inch | ||
| 18° | 0.5 | 0.0197 | 0.025 | 0.000985 | AD |
| 1 | 0.0394 | 0.05 | 0.00197 | AB | |
Remarque : pour le type Kaptive de 15 mm, la course applicable est de 13 mm.

Si les applications des clients nécessitent une combinaison de vis et d'écrou sans graisse, DINGS propose une vis en téflon pour actionneur linéaire à moteur pas à pas.
La vis en téflon pour actionneur linéaire à moteur pas à pas permet une durée de vie plus longue et une meilleure génération de force de poussée par rapport à la vis conventionnelle en acier inoxydable (SUS).
Le revêtement en téflon peut être appliqué à toute la gamme de vis de DINGS et à tous les types d'actionneurs linéaires PM, tels que les versions externes, non captives et captives.