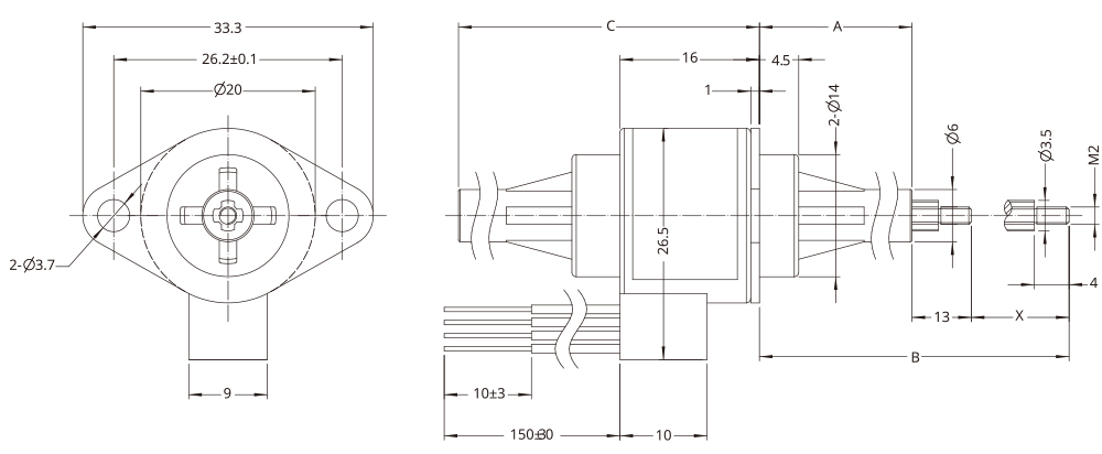
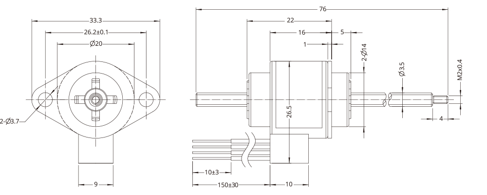
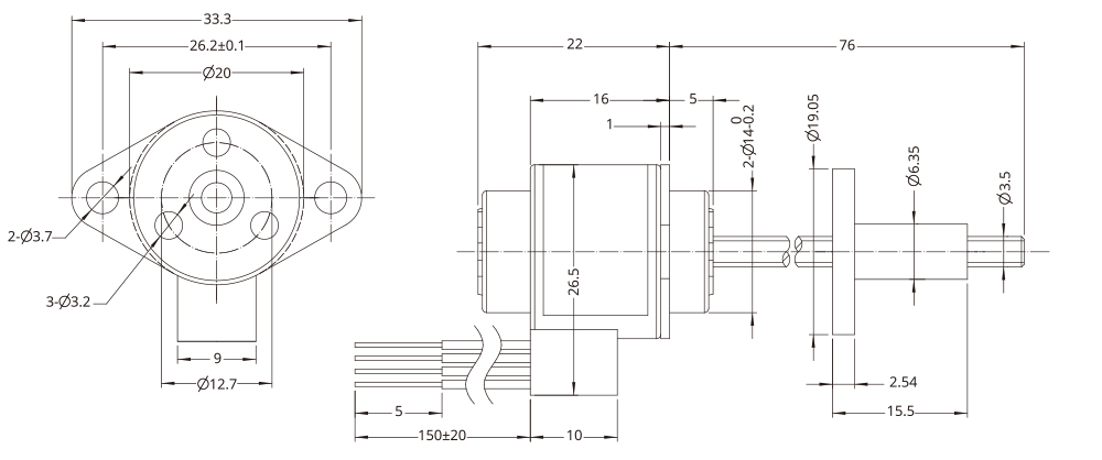
L'actionneur linéaire PM Stepper de taille 20 mm est disponible en version Externe, non captif et captif. Des options de personnalisation de l'usinage des extrémités de vis et de la longueur sont également disponibles.
Dans un environnement mobile, vous pouvez faire défiler vers la gauche et la droite pour voir le contenu (tableaux).
| Cadre 20mm | ||||
|---|---|---|---|---|
| Polarité | Bi-polaire | |||
| Type d'actionneur linéaire | Externe, non captif, captif | |||
| Angle de pas | 7.5° | 15° | ||
| Enroulement | 5V | 12V | 5V | 12V |
| Courant par phase | 370mA | 160mA | 370mA | 160mA |
| Résistance de phase | 13.5Ω | 74.5Ω | 13.5Ω | 76Ω |
| Inductance de phase | 6.5mH | 36mH | 4mH | 25mH |
| Consommation d'énergie | 3.4W | |||
| Inertie du rotor | 1.05gcm2 | |||
| Classe d'isolation | B | |||
| Résistance d'isolation | 100MΩ | |||
| Masse | 35g | |||
Dans un environnement mobile, vous pouvez faire défiler vers la gauche et la droite pour voir le contenu (tableaux).
| Angle de pas | Pas de vis | Déplacement par pas | Code du pas de vis | ||
|---|---|---|---|---|---|
| mm | pouce | mm | pouce | ||
| 7.5° | 0.3 | 0.0118 | 0.00625 | 0.00025 | AF |
| 0.6096 | 0.024 | 0.0127 | 0.0005 | AA | |
| 1.0 | 0.03937 | 0.02083 | 0.00082 | AB | |
| 1.2192 | 0.048 | 0.0254 | 0.001 | B | |
| 2.0 | 0.07874 | 0.04167 | 0.00164 | G | |
| 2.4384 | 0.096 | 0.0508 | 0.002 | J | |
| 4.0 | 0.15748 | 0.0833 | 0.00328 | M | |
| 15° | 0.3 | 0.0118 | 0.0125 | 0.00049 | AF |
| 0.6096 | 0.024 | 0.0254 | 0.001 | AA | |
| 1.0 | 0.03937 | 0.0417 | 0.00164 | AB | |
| 1.2192 | 0.048 | 0.0508 | 0.002 | B | |
| 2.0 | 0.07874 | 0.0833 | 0.00328 | G | |
| 2.4384 | 0.096 | 0.1016 | 0.004 | J | |
| 4.0 | 0.15748 | 0.1667 | 0.00656 | M | |
| Course X (mm) | Extension avant A | Extension totale B | Longueur du corps C (Max) |
|---|---|---|---|
| 14 | 13.5±0.25 | 40.5 | 30.5 |
| 18 | 17.5±0.25 | 48.5 | 34.5 |
| 25 | 24.5±0.25 | 62.5 | 41.5 |
| 31 | 30.5±0.25 | 74.5 | 47.5 |

Si les applications des clients nécessitent une combinaison de vis et d'écrou sans graisse, DINGS propose une vis en téflon pour actionneur linéaire à moteur pas à pas.
La vis en téflon pour actionneur linéaire à moteur pas à pas permet une durée de vie plus longue et une meilleure génération de force de poussée par rapport à la vis conventionnelle en acier inoxydable (SUS).
Le revêtement en téflon peut être appliqué à toute la gamme de vis de DINGS et à tous les types d'actionneurs linéaires PM, tels que les versions externes, non captives et captives.