FRA

dings logo

25mm Actionneur Linéaire À Moteur Pas À Pas PM

L'actionneur linéaire PM Stepper de taille 25 mm est disponible en version Externe, non captif et captif. Des options de personnalisation de l'usinage des extrémités de vis et de la longueur sont également disponibles.

Images des actionneurs linéaires PM Stepper 25mm

Caractéristiques du moteur

Dans un environnement mobile, vous pouvez faire défiler vers la gauche et la droite pour voir le contenu (tableaux).

Cadre 25mm
Polarité Bi-polaire
Type d'actionneur linéaire Externe, non captif, captif
Angle de pas 7.5° 15°
Enroulement 5V 12V 5V 12V
Courant de phase 370mA 160mA 370mA 160mA
Résistance de phase 13.5Ω 70Ω 13.5Ω 70Ω
Inductance de phase 12.5mH 65mH 9.5mH 47mH
Consommation d'énergie 3.85W
Inertie du rotor 1.08gcm2
Classe d'isolation B
Résistance d'isolation 100MΩ
Masse 50g

Vis disponibles et déplacement par pas

Dans un environnement mobile, vous pouvez faire défiler vers la gauche et la droite pour voir le contenu (tableaux).

Angle de pas Diamètre de vis (mm) Pas de vis Déplacement par pas Code du pas de vis
mm pouce mm pouce
7.5° Φ3.5 0.3 0.0118 0.00625 0.00025 AF
0.6096 0.024 0.0127 0.0005 AA
1.0 0.03937 0.02083 0.00082 AB
1.2192 0.048 0.0254 0.001 B
2.0 0.07874 0.04167 0.00164 G
2.4384 0.096 0.0508 0.002 J
4.0 0.15748 0.0833 0.00328 M
Φ4.77 0.635 0.025 0.0132 0.00052 A
1.27 0.05 0.0265 0.00104 D
2.54 0.1 0.0529 0.00208 K
15° Φ3.5 0.3 0.0118 0.0125 0.00049 AF
0.6096 0.024 0.0254 0.001 AA
1.0 0.03937 0.0417 0.00164 AB
1.2192 0.048 0.0508 0.002 B
2.0 0.07874 0.0833 0.00328 G
2.4384 0.096 0.1016 0.004 J
4.0 0.15748 0.1667 0.00656 M
Φ4.77 0.635 0.025 0.0265 0.00104 A
1.27 0.05 0.0529 0.00208 D
2.54 0.1 0.1058 0.00417 K

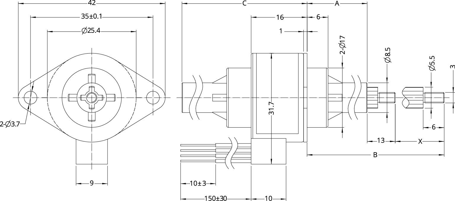
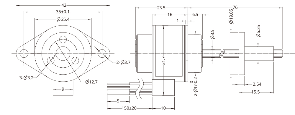
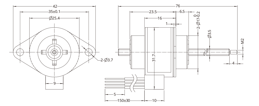
Dessins dimensionnels

images de l'actionneur externe
dimensions de l'actionneur externe
Actionneur linéaire PM Stepper non captif
dimensions de l'actionneur non captif
images de l'actionneur captif
dimensions de l'actionneur captif

Course X (mm) Extension avant A Extension totale B Longueur du corps C (Max)
13 10.5±0.25 36.5 27.5
18 15.5±0.25 46.5 32.5
25 22.5±0.25 60.5 39.5
31 28.5±0.25 72.5 45.5

Courbes de vitesse et de force

image Courbes de vitesse et de force
image Courbes de vitesse et de force

Options

Usinage des extrémités de la vis
usinage des extrémités de la vis
Revêtement en téflon

Si les applications des clients nécessitent une combinaison de vis et d'écrou sans graisse, DINGS propose une vis en téflon pour actionneur linéaire à moteur pas à pas.

La vis en téflon pour actionneur linéaire à moteur pas à pas permet une durée de vie plus longue et une meilleure génération de force de poussée par rapport à la vis conventionnelle en acier inoxydable (SUS).

Le revêtement en téflon peut être appliqué à toute la gamme de vis de DINGS et à tous les types d'actionneurs linéaires PM, tels que les versions externes, non captives et captives.

revêtement en téflon