FRA

dings logo

36mm Actionneur Linéaire À Moteur Pas À Pas PM

La taille 36mm de l'actionneur linéaire PM est disponible en versions Externe, non captif et captif, avec des options de personnalisation pour l'usinage des extrémités de vis et la longueur.

Images des actionneurs linéaires PM Stepper 36mm

Caractéristiques du moteur

Dans un environnement mobile, vous pouvez faire défiler vers la gauche et la droite pour voir le contenu (tableaux).

Cadre 36mm
Polarité Bi-polaire
Type d'actionneur linéaire Externe, non captif, captif
Angle de pas 7.5° 15°
Enroulement 5V 12V 5V 12V
Courant de phase 560mA 230mA 560mA 230mA
Résistance de phase 52Ω 52Ω
Inductance de phase 11.5mH 72mH 8mH 56mH
Consommation d'énergie 5.6W
Inertie du rotor 8.5gcm2
Classe d'isolation B
Résistance d'isolation 100MΩ
Masse 120g

Vis disponibles et déplacement par pas

Dans un environnement mobile, vous pouvez faire défiler vers la gauche et la droite pour voir le contenu (tableaux).

Angle de pas Diamètre de vis (mm) Pas de vis Déplacement par pas Code du pas de vis
mm pouce mm pouce
7.5° Φ4.77 0.635 0.025 0.0132 0.00052 A
1.27 0.05 0.0265 0.00104 D
2.54 0.1 0.0529 0.00208 K
Φ6.35 0.6096 0.024 0.0127 0.0005 AA
1.2192 0.048 0.0254 0.001 B
2.4384 0.096 0.0508 0.002 J
15° Φ4.77 0.635 0.025 0.0265 0.00104 A
1.27 0.05 0.0529 0.00208 D
2.54 0.1 0.1058 0.00417 K
Φ6.35 0.6096 0.024 0.0254 0.001 AA
1.2192 0.048 0.0508 0.002 B
2.4384 0.096 0.1016 0.004 J

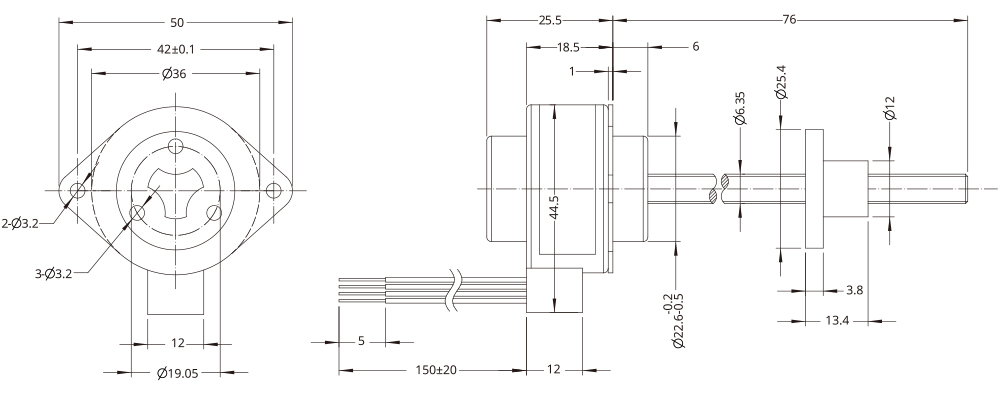
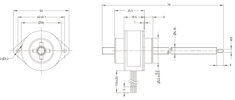
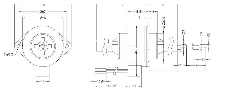
Dessins dimensionnels

images de l'actionneur externe
dimensions de l'actionneur PM Stepper non captif
actionneur linéaire PM Stepper non captif
dimensions de l'actionneur externe
images de l'actionneur captif
actionneur linéaire captif PM Stepper
Course X (mm) Extension avant A Extension totale B Longueur du corps C (Max)
16 12±0.25 41 31.5
25 21±0.25 59 40.5
38 34±0.25 85 53.5

Courbes de vitesse et de force

image Courbes de vitesse et de force
image Courbes de vitesse et de force

Options

Usinage des extrémités de la vis
usinage des extrémités de la vis
Revêtement en téflon

Si les applications des clients nécessitent une combinaison de vis et d'écrou sans graisse, DINGS propose une vis en téflon pour actionneur linéaire à moteur pas à pas.

La vis en téflon pour actionneur linéaire à moteur pas à pas permet une durée de vie plus longue et une meilleure génération de force de poussée par rapport à la vis conventionnelle en acier inoxydable (SUS).

Le revêtement en téflon peut être appliqué à toute la gamme de vis de DINGS et à tous les types d'actionneurs linéaires PM, tels que les versions externes, non captives et captives.

revêtement en téflon