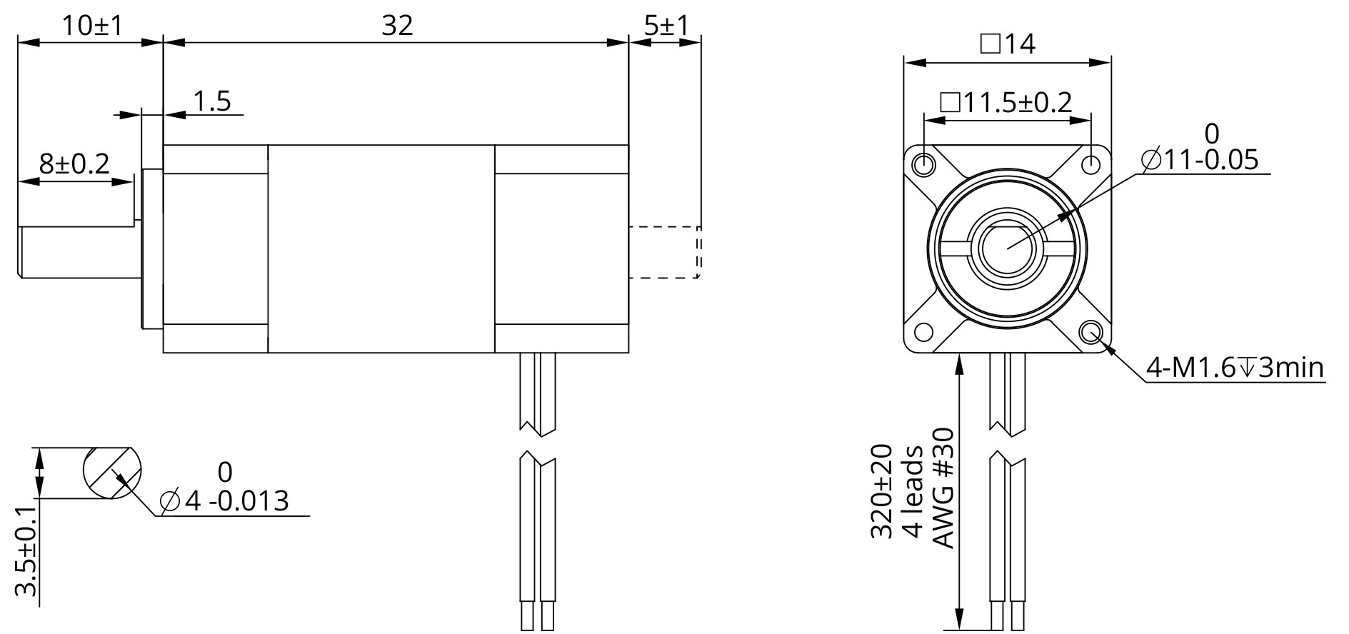
La taille 6 [14mm], qui est le plus petit moteur pas à pas hybride rotatif de DINGS, a un couple de maintien maximal de 0.005N·m.
Dans un environnement mobile, vous pouvez faire défiler vers la gauche et la droite pour voir le contenu (tableaux).
| Général | |||||||
|---|---|---|---|---|---|---|---|
| Précision | Angle de pas | 1.8°±5% | |||||
| Résistance | ±10% / 20 C | ||||||
| Inductance | ±20% / 1KHz | ||||||
| Classe d'isolation | B | ||||||
| Type de service | S1 | ||||||
| Résistance diélectrique | 250 VAC / 1 KHz / 1 mA / 1 s | ||||||
| Résistance d'isolation | 100 MΩ / 500 VDC | ||||||
| Charge radiale admissible (distance de 5MM de la surface de montage) |
Charge radiale admissible (distance de 10MM de la surface de montage) |
Charge radiale admissible (distance de 15MM de la surface de montage) |
Charge radiale admissible (distance de 20MM de la surface de montage) |
||||
| 15N | 12N | 8N | 6N | ||||
| Paramètre | |||||||
| Type | Courant (A [RMS]) |
Résistance (Ω) |
Inductance (mH) |
Couple de maintien (N·m) |
Inertie du rotor (g·cm²) |
Longueur (mm) |
Poids (g) |
| 6H2030 | 0.25 | 23 | 4.5 | 0.005 | 1.5 | 32 | 35 |
| Matériaux | |||||||
| Couvercle | Alliage d'aluminium | ||||||
| Roulement | Roulement à billes | ||||||
| Magnétisme | NdFeB fritté | ||||||
| Axe | Acier inoxydable | ||||||
| Câblage | UL 3135, AWG30 | ||||||
Dans un environnement mobile, vous pouvez faire défiler vers la gauche et la droite pour voir le contenu (tableaux).
| Résolution (CPR) | 250 | 256 | 500 | 512 | 1000 | 1024 | 2000 | 2048 | 4000 | 4096 |
| Sortie en bout unique | 0 | 1 | 2 | 3 | 4 | 5 | 6 | 7 | 8 | 9 |