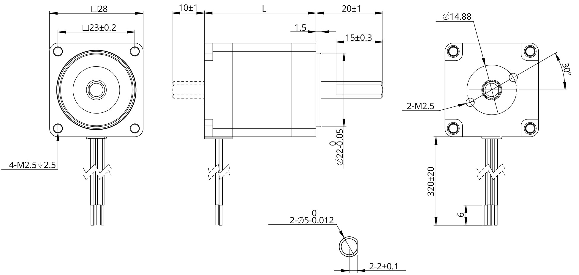
Le moteur pas à pas hybride rotatif de taille 11 [28mm] a un couple de maintien max. de 0,14 N·m.
Des solutions d'codeurs et de boîtes de vitesses planétaires de cadre 28 mm sont disponibles.
Pour des bobinages spéciaux ou des personnalisations, veuillez contacter DINGS' pour plus d'informations.
Dans un environnement mobile, vous pouvez déplacer de gauche à droite pour voir le contenu (tableaux).
| Général | |||||||
|---|---|---|---|---|---|---|---|
| Précision | Angle de pas | 1,8°±5% | |||||
| Résistance | ±10% / 20 C | ||||||
| Inductance | ±20% / 1KHz | ||||||
| Classe d'isolation | B | ||||||
| Type de service | S1 | ||||||
| Résistance diélectrique | 500 VAC / 1 KHz / 1 mA / 1 s | ||||||
| Résistance d'isolation | 100 MΩ / 500 VDC | ||||||
| Charge radiale admissible (5MM de distance de la surface de montage) |
Charge radiale admissible (10MM de distance de la surface de montage) |
Charge radiale admissible (15MM de distance de la surface de montage) |
Charge radiale admissible (20MM de distance de la surface de montage) |
||||
| 50N | 35N | 25N | 20N | ||||
| Paramètre | |||||||
| Type | Courant (A [RMS]) |
Résistance (Ω) |
Inductance (mH) |
Couple de maintien (N·m) |
Inertie du rotor (g·cm2) |
Longueur (mm) |
Masse (g) |
| 11H2033 | 1 | 2.1 | 1.2 | 0.06 | 9 | 33.5 | 110 |
| 11H2045 | 1 | 4.1 | 3.2 | 0.1 | 13 | 45 | 200 |
| 11H2052 | 1 | 4.7 | 3.9 | 0.14 | 18 | 52 | 280 |
| Matériaux | |||||||
| Couvercle | Alliage d'aluminium | ||||||
| Roulement | Roulement à billes à gorge profonde | ||||||
| Aimant | NdFeB fritté | ||||||
| Axe | Acier inoxydable | ||||||
| Câblage | UL 3265, 26 AWG | ||||||
Dans un environnement mobile, vous pouvez déplacer de gauche à droite pour voir le contenu (tableaux).
| Résolution (CPR) | 100 | 108 | 120 | 125 | 128 | 200 | 250 | 256 | 300 | 360 | 400 | 500 | 1000 | 512 | 720 | 800 |
| Sortie à une extrémité | 0 | 1 | 2 | 3 | 4 | 5 | 6 | 7 | 8 | 9 | 10 | 11 | 12 | 13 | 14 | 15 |
| Sortie différentielle | A | B | C | D | E | F | G | H | I | J | K | L | M | N | O | P |
Dans un environnement mobile, vous pouvez déplacer de gauche à droite pour voir le contenu (tableaux).
| Résolution (CPR) | 50 | 100 | 192 | 200 | 250 | 256 | 360 | 400 | 500 | 720 | 900 | 1000 | 1250 | 2000 | 2500 | 4000 | 5000 |
| Sortie à une extrémité | 0 | 1 | 2 | 3 | 4 | 5 | 6 | 7 | 8 | 9 | 10 | 11 | 12 | ||||
| Sortie différentielle | A | B | C | D | E | F | G | H | I | J | K | L | M | N | O | P | Q |
Dans un environnement mobile, vous pouvez déplacer de gauche à droite pour voir le contenu (tableaux).
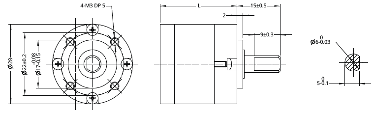
| Matériau de la maison | Métal | |||||
| Jeu à vide | 1° | |||||
| Roulement | Roulement à billes | |||||
| Rapport | Couple nominal (N.m) |
Couple limite (N·m) |
Étapes | Efficacité (%) |
Longueur (mm) |
Masse (g) |
|---|---|---|---|---|---|---|
| 3.3 | 0.5 | 1.5 | 1 | 90 | 21.2 | 87 |
| 4.6 | ||||||
| 11.2 | 1 | 3 | 2 | 81 | 26.9 | 91 |
| 15.5 | ||||||
| 21.5 | ||||||
| 37.7 | 2.5 | 7.5 | 3 | 73 | 32.7 | 100 |
| 72 | ||||||
In a mobile environment, you can move left and right to see the contents (tables).
| Tension nominale | DC 24V ± 5% | |
|---|---|---|
| Résistance | 143.7Ω ± 10% | |
| Puissance | 5.5W | |
| Couple de maintien | >0.3N.M | |
| Isolation | B | |
| Résistance d'isolation | >100MΩ (DC500V) | |
| Force diélectrique | AC 1000V for 1 sec | |
| Temps de rétraction | 50ms | |
| Temps de libération | 50ms | |
| Angle de rotation | 1° | |
| Temps de freinage d'urgence | 200 cycles | |
| Durée de vie | 500,000 cycles | |
| Niveau de bruit | <60db | |