Le moteur pas à pas hybride rotatif de taille 14 [35mm] a un couple de maintien maximal de 0,4N·m.
Des solutions de boîte de vitesses planétaire avec châssis de 32mm sont disponibles.
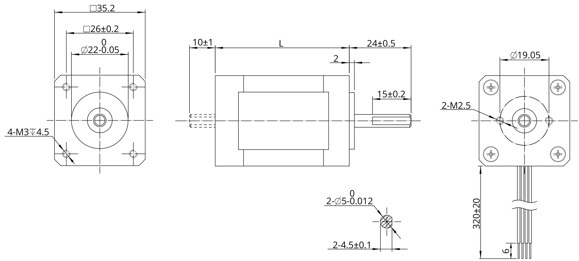
Pour des bobinages spéciaux ou une personnalisation, veuillez contacter DINGS pour plus d'informations.
Dans un environnement mobile, vous pouvez déplacer de gauche à droite pour voir le contenu (tableaux).
| Général | |||||||
|---|---|---|---|---|---|---|---|
| Précision | Angle de pas | 1.8°±5% | |||||
| Résistance | ±10% / 20 C | ||||||
| Inductance | ±20% / 1KHz | ||||||
| Classe d'isolation | B | ||||||
| Type de service | S1 | ||||||
| Résistance diélectrique | 500 VAC / 1 KHz / 1 mA / 1 s | ||||||
| Résistance d'isolation | 100 MΩ / 500 VDC | ||||||
| Charge radiale admissible (distance de 5mm à partir de la surface de montage) |
Charge radiale admissible (distance de 10mm à partir de la surface de montage) |
Charge radiale admissible (distance de 15mm à partir de la surface de montage) |
Charge radiale admissible (distance de 20mm à partir de la surface de montage) |
||||
| 50N | 40N | 25N | 20N | ||||
| Paramètre | |||||||
| Type | Courant (A [RMS]) |
Résistance (Ω) |
Inductance (mH) |
Couple de maintien (N·m) |
Inertie du rotor (g·cm2) |
Longueur (mm) |
Masse (g) |
| 14H2027 | 0.5 | 10.3 | 5.9 | 0.1 | 12 | 27 | 150 |
| 14H2037 | 1.5 | 1.7 | 1.4 | 0.2 | 20 | 37 | 210 |
| 14H2052 | 1.5 | 2.7 | 2.8 | 0.4 | 35 | 52 | 250 |
| Matériau | |||||||
| Cloche de fond | Alliage d'aluminium | ||||||
| Roulement | Roulement à billes | ||||||
| Aimant | NdFeB fritté | ||||||
| Axe | Acier inoxydable | ||||||
| Câblage | UL 3265, 26 AWG | ||||||
Dans un environnement mobile, vous pouvez déplacer de gauche à droite pour voir le contenu (tableaux).
| Résolution (CPR) | 100 | 108 | 120 | 125 | 128 | 200 | 250 | 256 | 300 | 360 | 400 | 500 | 1000 | 512 | 720 | 800 |
| Sortie asymétrique | 0 | 1 | 2 | 3 | 4 | 5 | 6 | 7 | 8 | 9 | 10 | 11 | 12 | 13 | 14 | 15 |
| Sortie différentielle | A | B | C | D | E | F | G | H | I | J | K | L | M | N | O | P |
Dans un environnement mobile, vous pouvez déplacer de gauche à droite pour voir le contenu (tableaux).
| Résolution (CPR) | 50 | 100 | 192 | 200 | 250 | 256 | 360 | 400 | 500 | 720 | 900 | 1000 | 1250 | 2000 | 2500 | 4000 | 5000 |
| Sortie asymétrique | 0 | 1 | 2 | 3 | 4 | 5 | 6 | 7 | 8 | 9 | 10 | 11 | 12 | ||||
| Sortie différentielle | A | B | C | D | E | F | G | H | I | J | K | L | M | N | O | P | Q |
Dans un environnement mobile, vous pouvez déplacer de gauche à droite pour voir le contenu (tableaux).
| Matériau du boîtier | Métal | |||||
| Jeu sans charge | 1° | |||||
| Roulement | Roulement à billes | |||||
| Rapport | Couple nominal (N.m) |
Couple limite (N·m) |
Étages | Efficacité (%) |
Longueur (mm) |
Masse (g) |
|---|---|---|---|---|---|---|
| 3.3 | 0.5 | 1.5 | 1 | 90 | 16.2 | 90 |
| 4.6 | ||||||
| 11.2 | 1 | 3 | 2 | 81 | 21.9 | 115 |
| 15.5 | ||||||
| 21.5 | ||||||
| 37.7 | 2.5 | 7.5 | 3 | 73 | 27.7 | 140 |
| 72 | ||||||
In a mobile environment, you can move left and right to see the contents (tables).
| Tension nominale | DC 24V ± 5% | |
|---|---|---|
| Résistance | 217Ω ± 10% | |
| Puissance | 4W | |
| Couple de maintien | >0.3N.M | |
| Isolation | B | |
| Résistance d'isolation | >100MΩ (DC500V) | |
| Force diélectrique | AC 1000V for 1 sec | |
| Temps de rétraction | 50ms | |
| Temps de libération | 50ms | |
| Angle de rotation | 1° | |
| Temps de freinage d'urgence | 200 cycles | |
| Durée de vie | 500,000 cycles | |
| Niveau de bruit | <60db | |