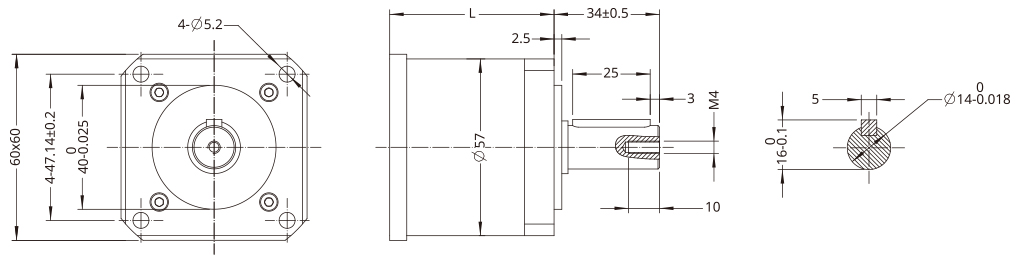
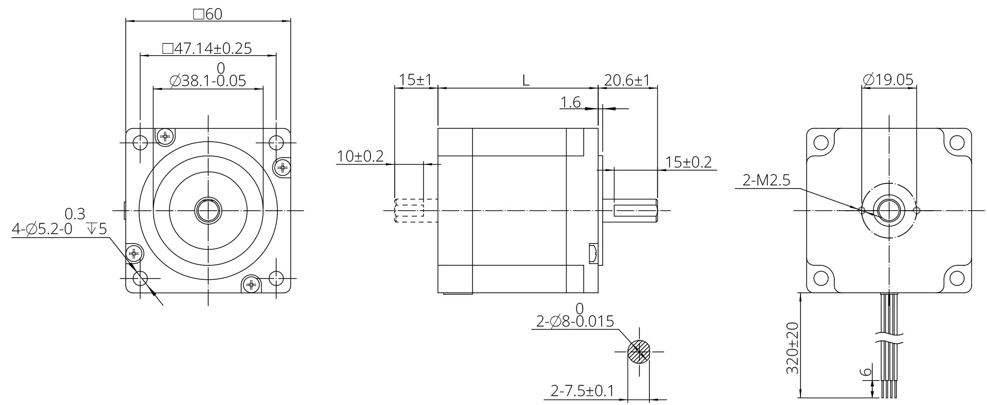
Le moteur pas à pas rotatif hybride de taille 24 [60mm] a un couple de maintien maximal de 3,0 N·m.
Des solutions d'codeurs et de réducteurs planétaires pour châssis de 60 mm sont disponibles.
Pour des enroulements spéciaux ou des personnalisations, veuillez contacter DINGS pour plus d'informations.
Dans un environnement mobile, vous pouvez vous déplacer de gauche à droite pour voir le contenu (tableaux).
| Général | |||||||
|---|---|---|---|---|---|---|---|
| Précision | Angle de pas | 1.8°±5% | |||||
| Résistance | ±10% / 20 C | ||||||
| Inductance | ±20% / 1KHz | ||||||
| Classe d'isolation | B | ||||||
| Type de service | S1 | ||||||
| Résistance diélectrique | 500 VAC / 1 KHz / 1 mA / 1 s | ||||||
| Résistance d'isolation | 100 MΩ / 500 VDC | ||||||
| Charge radiale admissible (5MM distance de la surface de montage) |
Charge radiale admissible (10MM distance de la surface de montage) |
Charge radiale admissible (15MM distance de la surface de montage) |
Charge radiale admissible (20MM distance de la surface de montage) |
||||
| 210N | 170N | 140N | 120N | ||||
| Paramètre | |||||||
| Type | Courant (A [RMS]) |
Résistance (Ω) |
Inductance (mH) |
Couple de maintien (N·m) |
Inertie du rotor (g·cm2) |
Longueur (mm) |
Masse (g) |
| 24H2047 | 2.0 | 1.5 | 3.4 | 1 | 240 | 47 | 600 |
| 24H2056 | 3.0 | 0.8 | 2.3 | 1.5 | 340 | 56 | 800 |
| 24H2068 | 4.0 | 0.6 | 1.9 | 2.1 | 490 | 68 | 1000 |
| 24H2085 | 5.0 | 0.4 | 1.8 | 3 | 690 | 85 | 1300 |
| Matériel | |||||||
| Extrémité | Alliage d'aluminium | ||||||
| Roulement | Roulement à billes à gorge profonde | ||||||
| Aimant | NdFeB fritté | ||||||
| Arbre | Acier inoxydable | ||||||
| Câblage | UL 3265, 20/22 AWG | ||||||
Dans un environnement mobile, vous pouvez vous déplacer de gauche à droite pour voir les contenus (tableaux).
| Résolution(CPR) | 50 | 100 | 192 | 200 | 250 | 256 | 360 | 400 | 500 | 720 | 900 | 1000 | 1250 | 2000 | 2500 | 4000 | 5000 |
| Sortie à extrémité unique | 0 | 1 | 2 | 3 | 4 | 5 | 6 | 7 | 8 | 9 | 10 | 11 | 12 | ||||
| Sortie différentielle | A | B | C | D | E | F | G | H | I | J | K | L | M | N | O | P | Q |
Dans un environnement mobile, vous pouvez vous déplacer de gauche à droite pour voir les contenus (tableaux).
| Matériau du boîtier | Métal | |||||
| Jeu sans charge | Premier étage 15 arcmin, deuxième étage 25 arcmin | |||||
| Roulement | Roulement à billes | |||||
| Rapport | Couple nominal (N.m) |
Couple limite (N·m) |
Étages | Efficacité (%) |
Longueur (mm) |
Masse (g) |
|---|---|---|---|---|---|---|
| 5 | 6 | 12 | 1 | 95 | 53 | 900 |
| 10 | ||||||
| 15 | 25 | 40 | 2 | 90 | 70 | 1200 |
| 20 | ||||||
| 25 | ||||||
In a mobile environment, you can move left and right to see the contents (tables).
| Tension nominale | DC 24V ± 5% | |
|---|---|---|
| Résistance | 141Ω ± 10% | |
| Puissance | 5W | |
| Couple de maintien | >2N.M | |
| Isolation | B | |
| Résistance d'isolation | >100MΩ (DC500V) | |
| Force diélectrique | AC 1000V for 1 sec | |
| Temps de rétraction | 50ms | |
| Temps de libération | 50ms | |
| Angle de rotation | 1° | |
| Temps de freinage d'urgence | 200 cycles | |
| Durée de vie | 500,000 cycles | |
| Niveau de bruit | <60db | |