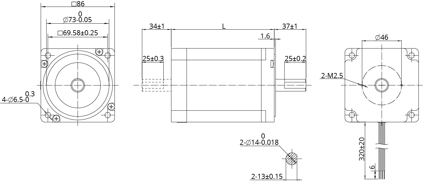
Le moteur pas-à-pas hybride rotatif de taille 34 [86mm] a un couple de maintien maximal de 7,0 N·m.
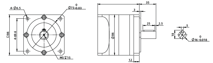
Des solutions d'codeurs et de réducteurs planétaires pour châssis de 86mm sont disponibles.
Pour des bobinages spéciaux ou des personnalisations, veuillez contacter DINGS pour plus d'informations.
Dans un environnement mobile, vous pouvez vous déplacer de gauche à droite pour voir les contenus (tableaux).
| Général | |||||||
|---|---|---|---|---|---|---|---|
| Précision | Angle de pas | 1,8°±5% | |||||
| Résistance | ±10% / 20°C | ||||||
| Inductance | ±20% / 1KHz | ||||||
| Classe d'isolation | B | ||||||
| Type de service | S1 | ||||||
| Résistance diélectrique | 500 VAC / 1 KHz / 1 mA / 1 s | ||||||
| Résistance d'isolation | 100 MΩ / 500 VDC | ||||||
| Charge radiale admissible (distance de 5mm de la surface de montage) |
Charge radiale admissible (distance de 10mm de la surface de montage) |
Charge radiale admissible (distance de 15mm de la surface de montage) |
Charge radiale admissible (distance de 20mm de la surface de montage) |
||||
| 600N | 550N | 480N | 390N | ||||
| Paramètre | |||||||
| Type | Courant (A [RMS]) |
Résistance (Ω) |
Inductance (mH) |
Couple de maintien (N·m) |
Inertie du rotor (g·cm2) |
Longueur (mm) |
Masse (g) |
| 34H2060 | 3,0 | 1 | 6 | 3 | 1100 | 60,5 | 1600 |
| 34H2075 | 4,5 | 0,6 | 4,5 | 4,5 | 1800 | 75 | 2100 |
| 34H2098 | 6,0 | 0,5 | 3,5 | 7 | 2800 | 96,5 | 2900 |
| Matériau | |||||||
| Extrémité | Alliage d'aluminium | ||||||
| Roulement | Roulement à billes | ||||||
| Magnétisme | NdFeB fritté | ||||||
| Arbre | Acier inoxydable | ||||||
| Câblage | UL 3265, 18 AWG | ||||||
Dans un environnement mobile, vous pouvez vous déplacer de gauche à droite pour voir les contenus (tableaux).
| Résolution(CPR) | 64 | 100 | 200 | 500 | 1000 | 1800 | 2000 | 2500 | 3600 | 4000 | 5000 | 7200 | 8000 | 10000 |
| Sortie simple | 0 | 1 | 2 | 3 | 4 | 5 | 6 | 7 | 8 | |||||
| Sortie différentielle | A | B | C | D | E | F | G | H | I | J | K | L | M |
Dans un environnement mobile, vous pouvez vous déplacer de gauche à droite pour voir les contenus (tableaux).
| Matériau du boîtier | Métal | |||||
| Jeu sans charge | Première étape 15 arcmin, deuxième étape 25 arcmin | |||||
| Roulement | Roulement à billes | |||||
| Ratio | Couple nominal (N.m) |
Couple limite (N·m) |
Étapes | Efficacité (%) |
Longueur (mm) |
Masse (g) |
|---|---|---|---|---|---|---|
| 3 | 50 | 100 | 1 | 95 | 89 | 2080 |
| 4 | ||||||
| 5 | ||||||
| 7 | ||||||
| 16 | 80 | 160 | 2 | 90 | 112 | 2830 |
| 20 | ||||||
| 25 | ||||||
| 28 | ||||||
| 35 | ||||||
| 40 | ||||||
| 50 | ||||||
In a mobile environment, you can move left and right to see the contents (tables).
| Tension nominale | DC 24V ± 5% | |
|---|---|---|
| Résistance | 69Ω ± 10% | |
| Puissance | 12W | |
| Couple de maintien | >6N.M | |
| Isolation | B | |
| Résistance d'isolation | >100MΩ (DC500V) | |
| Force diélectrique | AC 1000V for 1 sec | |
| Temps de rétraction | 50ms | |
| Temps de libération | 50ms | |
| Angle de rotation | 1° | |
| Temps de freinage d'urgence | 200 cycles | |
| Durée de vie | 500,000 cycles | |
| Niveau de bruit | <60db | |