FRA

dings logo

Taille 6 [14mm] Moteur Pas À Pas À Arbre Creux

Le moteur pas à pas à arbre creux de taille 6 [14mm] est le plus petit moteur à arbre creux de DINGS'. Il a un couple de maintien max. de 0,005 N·m.

Pour des bobinages spéciaux ou une personnalisation de l'arbre, veuillez contacter DINGS' pour plus d'informations.

Images du moteur pas à pas à arbre creux de 14mm

Caractéristiques du Moteur

Dans un environnement mobile, vous pouvez vous déplacer de gauche à droite pour voir le contenu (tableaux).

N° de Modèle Tension Nominale
(V)
Courant
(A [RMS])
Résistance
(Ω)
Inductance
(mH)
Couple de Maintien
(N·m)
Couple d'Accrochage
(N·m)
Longueur du Moteur
(mm)
6HS2030 6.6 0.25 23 4.0 0.005 0.001 32

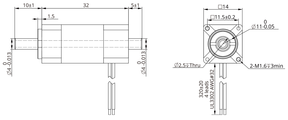
Dessin Dimensionnel

Courbes de performances (couple)

Image des Courbes de performances (couple)

CONDITIONS DE TEST

Essais réalisés à 24 VDC avec un variateur hacheur bipolaire DS-OLS8-FRS4, au courant nominal (RMS).
Le couple moteur peut varier en fonction de la tension et des conditions de commande ; une marge de sécurité de couple de 50 % est recommandée.