FRA

dings logo

Taille 14 [35mm] Moteur Pas À Pas À Arbre Creux

Le moteur pas à pas à arbre creux de taille 14 [35mm] a un couple de maintien max. de 0,36N·m.

Pour des bobinages spéciaux ou la personnalisation de l'arbre, ainsi que pour l'assemblage de codeurs à axe creux, veuillez contacter DINGS' pour plus d'informations.

Images du moteur pas à pas à arbre creux de 35mm

Caractéristiques du Moteur

Dans un environnement mobile, vous pouvez vous déplacer de gauche à droite pour voir le contenu (tableaux).

N° de Modèle Tension Nominale
(V)
Courant
(A [RMS])
Résistance
(Ω)
Inductance
(mH)
Couple de Maintien
(N·m)
Couple d'Accrochage
(N·m)
Longueur du Moteur
(mm)
14HS2033 3.5 1.0 3.5 3.6 0.15 0.006 33.6
14HS2045 6 1.0 6 7.8 0.32 0.01 45.6

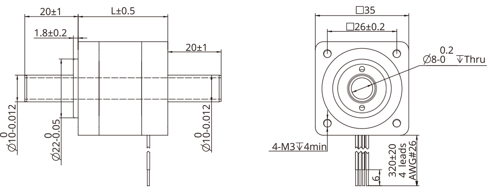
Dessin Dimensionnel

Courbes de performances (couple)

Image des Courbes de performances (couple)

CONDITIONS DE TEST

Essais réalisés à 24 VDC avec un variateur hacheur bipolaire DS-OLS8-FRS4, au courant nominal (RMS).
Le couple moteur peut varier en fonction de la tension et des conditions de commande ; une marge de sécurité de couple de 50 % est recommandée.

Options

Option Codeur
Images de l'codeur EK2
Images de sortie de l'codeur EK2

Dans un environnement mobile, vous pouvez vous déplacer de gauche à droite pour voir le contenu (tableaux).

Résolution(CPR) 50 100 192 200 250 256 360 400 500 720 900 1000 1250 2000 2500 4000 5000
Sortie asymétrique 0 1 2 3 4 5 6 7 8 9 10 11 12
Sortie différentielle A B C D E F G H I J K L M N O P Q