FRA

dings logo

Taille 34 [86mm] Moteur Pas À Pas À Arbre Creux

Le moteur pas à pas à arbre creux de taille 34 [86mm] a un couple de maintien max. de 4.5N·m.

Pour des bobinages spéciaux ou la personnalisation de l'arbre, ainsi que pour l'assemblage de codeurs à axe creux, veuillez contacter DINGS' pour plus d'informations.

Images du moteur pas à pas à arbre creux de 86mm

Caractéristiques du Moteur

Dans un environnement mobile, vous pouvez vous déplacer de gauche à droite pour voir le contenu (tableaux).

Numéro de Modèle Tension Nominale
(V)
Courant
(A [RMS])
Résistance
(Ω)
Inductance
(mH)
Couple de Maintien
(N·m)
Couple d'Accrochage
(N·m)
Longueur du Moteur
(mm)
34HS2076 5.7 3.0 1.9 15 4.5 0.095 76

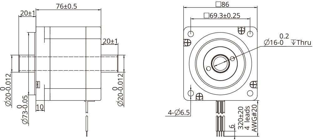
Dessin Dimensionnel

Courbes de performances (couple)

Image des Courbes de performances (couple)

CONDITIONS DE TEST

Essais réalisés à 48 VDC avec un variateur hacheur bipolaire DS-OLS8-FPD, au courant nominal (RMS).
Le couple moteur peut varier en fonction de la tension et des conditions de commande ; une marge de sécurité de couple de 50 % est recommandée.

Options

Option Codeur
Images de l'codeur EK3
Images de sortie de l'codeur EK3

Dans un environnement mobile, vous pouvez vous déplacer de gauche à droite pour voir le contenu (tableaux).

Résolution(CPR) 64 100 200 500 1000 1800 2000 2500 3600 4000 5000 7200 8000 10000
Sortie asymétrique 0 1 2 3 4 5 6 7 8
Sortie différentielle A B C D E F G H I J K L M