Le moteur DC sans balais de 110 mm a un couple nominal maximal de 4,6N·m et peut générer une puissance nominale de 710W.
Le moteur de 110 mm est doté d'une connexion d'enroulement en étoile et de moteurs à 5 paires de pôles avec un retour d'information des capteurs Hall en standard.
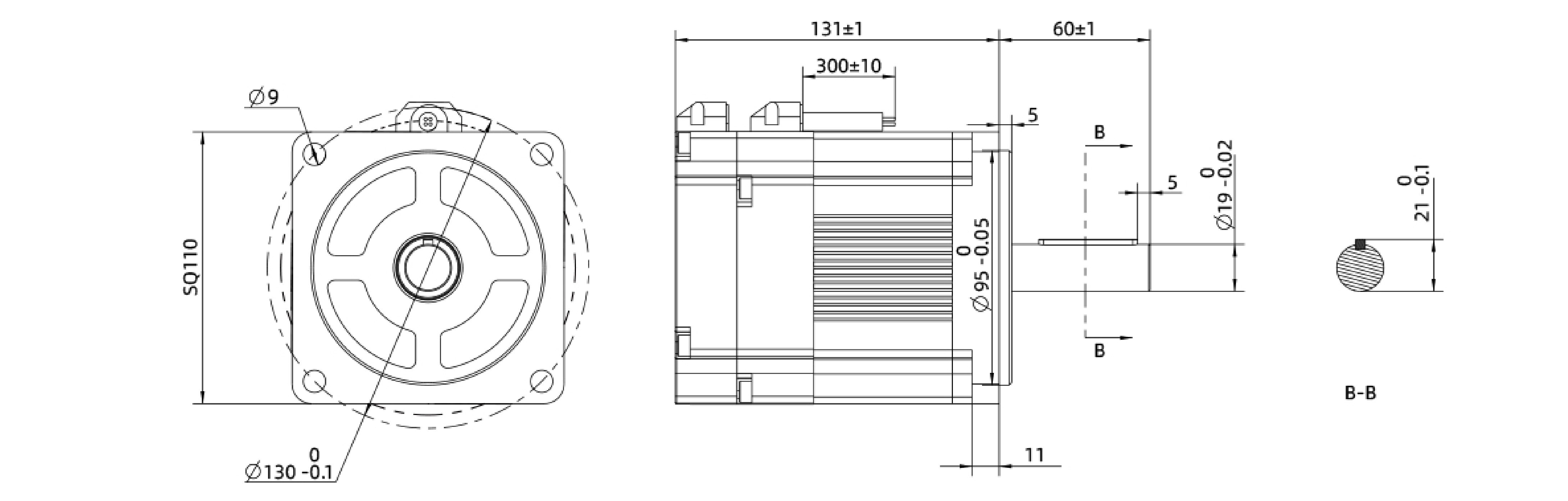
De plus, une boîte de vitesses et un codeur incrémental sont disponibles.
Dans un environnement mobile, vous pouvez vous déplacer de gauche à droite pour voir le contenu (tableaux).
| Numéro de pièce du moteur | - | 110ZWS132XE-1 | |
|---|---|---|---|
| Longueur du corps (LT) | mm | 131±1 | |
| Paire de pôles | - | 5 | |
| Résistance entre phases | Ω | 1.04 | |
| Inductance entre phases | mH | 3.658 | |
| Méthode de connexion d'enroulement | - | Forme en étoile | |
| Classe d'isolation | - | B | |
| Type de service | - | S1 | |
| Angle de commutation | - | 120° | |
| Résistance d'isolation (Tension de tenue) | - | 1000VAC/1KHz/1mA/1s | |
| Résistance d'isolation | - | 100 MOhm 20C | |
| Poids | Kg | 3 | |
| Tension nominale | V | 120 | |
| Puissance nominale | W | 710.0 | |
| Couple nominal | N·m | 4.6 | |
| Vitesse nominale | RPM | 1500 | |
| Courant nominal | A | 9.6 | |
| Vitesse à vide | RPM | 1850 | |
| Courant à vide | A | 0.65 | |
| Efficacité du moteur | % | 90 | |
| Bruit (Bruit ambiant 20db, distance de test 1m) | dB | <50 | |
| Résistance thermique du boîtier | K/W | 0.36 | |
| Température ambiante | ℃ | 20 | |
| Température maximale d'enroulement | ℃ | 88 | |
| Constante de couple | N·m/A | 0.479 | |
| Constante de f.e.m. inverse / Valeur effective | V/Krpm | 67.83 | |
| Couple de pointe | N·m | 13.8 | |
| Courant de pointe | A | 28.8 | |
| Inertie du rotor | Kg·cm² | 10.2 | |
Dans un environnement mobile, vous pouvez vous déplacer de gauche à droite pour voir le contenu (tableaux).
| Type de sortie | Couleur de sortie | Fonction | |
|---|---|---|---|
| UL3265 AWG16 | Jaune | Phase U | |
| Rouge | Phase V | ||
| Noir | Phase W | ||
