Le 16ZWC32L-1 est de très petite taille mais dispose d'un circuit magnétique optimisé.
Le moteur Brushless DC avec enroulement à noyau présente une densité de couple élevée et un rotor multipolaire peut offrir des performances dynamiques et puissantes.
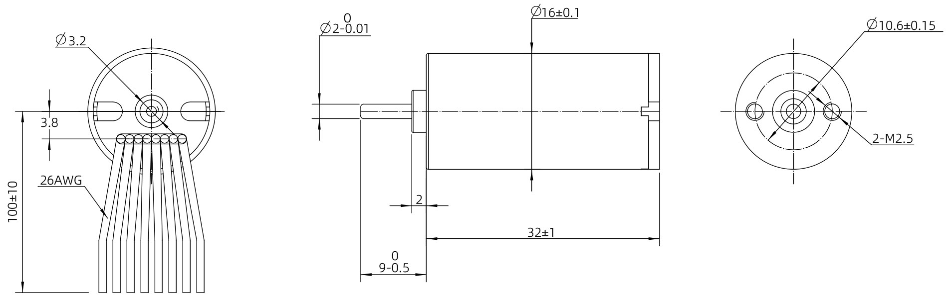
Le 16ZWC32L-1 peut atteindre une vitesse maximale de 16 300 tr/min.
Dans un environnement mobile, vous pouvez vous déplacer de gauche à droite pour voir le contenu (tableaux).
| Numéro de pièce du moteur | - | 16ZWC32L-1 | |
|---|---|---|---|
| Longueur du corps (LT) | mm | 32±0.3 | |
| Nombre de paires de pôles | - | 2 | |
| Résistance entre phases | Ω | 6.5 | |
| Inductance entre phases | mH | 0.78 | |
| Méthode de connexion de l'enroulement | - | Forme étoilée | |
| Classe d'isolation | - | B | |
| Type de service | - | S2 | |
| Méthode de retour | - | Capteurs à effet Hall | |
| Angle de commutation | - | 120° | |
| Résistance d'isolation (Tension supportée) | - | 500VAC/1KHz/1mA/1s | |
| Résistance d'isolation | - | 100 MOhm 20C | |
| Poids | g | 25.5 | |
| Tension nominale | V | 24 | |
| Puissance nominale | W | 9.2 | |
| Couple nominal | N·m | 0.007 | |
| Vitesse nominale | RPM | 12600 | |
| Courant nominal | A | 0.65 | |
| Vitesse à vide | RPM | 16300 | |
| Courant à vide | A | 0.22 | |
| Efficacité du moteur | % | 71.6 | |
| Couple d’encochage | mN.m | 4.5 | |
| Niveau sonore (Bruit ambiant 20db, distance de test 1m) | dB | <50 | |
| Enceinte - Résistance thermique ambiante | K/W | 0.9 | |
| Température ambiante | ℃ | 25 | |
| Température maximale de l'enroulement | ℃ | 68.5 | |
| Constante de couple | N·m/A | 0.011 | |
| Constante de contre-EMF / Valeur efficace | V/Krpm | 1.25 | |
| Couple de crête | N·m | 0.021 | |
| Courant de crête | A | 1.95 | |
| Inertie du rotor | g·cm² | 0.45 | |
Dans un environnement mobile, vous pouvez vous déplacer de gauche à droite pour voir le contenu (tableaux).
| Type de sortie | Couleur des fils | Fonction | |
|---|---|---|---|
| UL3265 AWG26 | Jaune | Hall U(Hu) | |
| Vert | Hall V(Hv) | ||
| Bleu | Hall W(Hw) | ||
| Rouge | Alimentation positive Hall(Vcc) | ||
| Noir | Alimentation négative Hall(GND) | ||
| UL3265 AWG26 | Gris | Phase U | |
| Blanc | Phase V | ||
| Marron | Phase W | ||

Dans un environnement mobile, vous pouvez vous déplacer de gauche à droite pour voir le contenu (tableaux).
| Étape | - | Étape 1 | Étape 2 | Étape 3 | Étape 4 |
|---|---|---|---|---|---|
| Rapport de Réduction | X : 1 | 3.9, 5.3 | 16, 21, 28 | 62, 83, 111, 150 | 243, 326, 439, 590, 794 |
| Jeu maximal | ° | 1.0 | 1.2 | 1.3 | 1.4 |
| Puissance de sortie continue max. | W | 6.5 | 3.2 | 1.6 | 0.6 |
| Puissance de sortie de crête max. | W | 8.0 | 4.0 | 2.0 | 0.75 |
| Vitesse de transmission continue max. | rpm | 12000 | 14000 | 14000 | 14000 |
| Vitesse d'entrée de pointe max. | rpm | 15000 | 18000 | 18000 | 18000 |
| Couple continu max. | N·m | 0.2 | 0.25 | 0.35 | 0.45 |
| Couple de pointe max. | N·m | 0.25 | 0.35 | 0.45 | 0.55 |
| Rendement maximal | % | 90 | 80 | 75 | 65 |
| Poids | g | 25 | 31 | 37 | 42 | Longueur du réducteur L | mm | 18.7 | 25.5 | 30.2 | 42 |