FRA

dings logo

Série DS-OLBD/BVM/BVS

DINGS' offre une large gamme d'électroniques pour moteurs DC sans balais pour le contrôle de vitesse et de position.

Jusqu'à 10A nominal (30A max.), DINGS' propose 2 types de contrôleurs de vitesse (série DS-OLBD) via RS485 et commande analogique.

DINGS' propose également des solutions de contrôle de position basées sur CANOpen & EtherCAT pour les Mini Moteurs DC sans balais et les moteurs standard.

DS-BVM prend en charge un courant nominal de 3A (6A max.), et DS-BVS prend en charge un courant nominal de 10A (20A max.).

Images de la série Stand Alone DS-BV

DS-BVS-FCAO/FETC

Images DS-BVS
  1. Alimentation d'entrée : DC 12V - 48V
  2. Courant de sortie : Nominal 10A, Crête 20A
  3. Types de moteurs pris en charge : DC, BLDC, PMSM, VCM
  4. 6 entrées, 2 sorties
  5. Prise en charge des protocoles CANopen et EtherCAT
Images DS-BVS
Spécifications de base

Sur un mobile, vous pouvez déplacer la table de gauche à droite pour voir le contenu.

Moteur adapté DC / BLDC / PMSM / VCM
Alimentation électrique 12 - 48VDC
Courant de sortie 10A (nominal), 20A (crête)
Méthode de conduite Commande FOC PWM triphasée
Méthode de contrôle EtherCAT, CANopen
Support de l'encodeur Encodeur INC, encodeur Sin/Cos, encodeur ABS BiSS/SSI
Signal d'entrée 6 entrées générales Entrée opto-isolée : 24VDC
Signal de sortie 2 sorties générales Sortie opto-isolée : 24VDC, courant maximal 40mA
Signal d'entrée analogique ±10 VDC
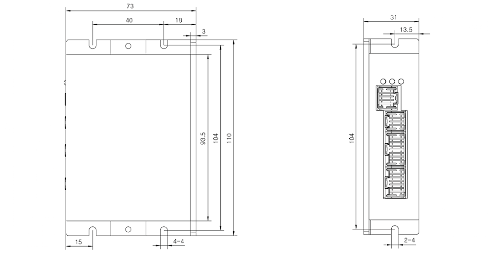
Taille (hors connecteur) 109.5 x 73.5 x 31 mm
Poids (hors connecteur) environ 296g
Environnement de fonctionnement Application Éviter la poussière, le brouillard d'huile et les gaz corrosifs
Humidité 10 - 90% RH, sans condensation
Température 0 ~ 50°C
Dissipation thermique Installer dans un environnement ventilé
Images DS-BVS
Dessin dimensionnel
  1. Considérer la taille du terminal et l'espace de refroidissement lors de l'installation.
  2. Températures recommandées : moins de 60°C (variateur), moins de 80°C (moteur).
  3. Installer le variateur verticalement pour un refroidissement naturel. Ajouter un ventilateur si nécessaire pour maintenir un fonctionnement stable.
Images du catalogue
Liste de téléchargement du manuel
Nom du fichier Format Taille Télécharger
DS-BVS-FETC/FCAO-Hardware Manual PDF 1.16 MB Télécharger
DINGS' Servo Studio Manual PDF 4.58 MB Télécharger
DS-BVS/BVM Series Reference Manual PDF 4.65 MB Télécharger
Stand Alone Drive_Accessory Selection Manual PDF 2.68 MB Télécharger
Liste de téléchargement de logiciel
Nom du fichier Format Taille Télécharger
DINGS' Servo Studio ZIP 4.59 MB Télécharger
DS-BVS-FETC DS-BVM-FETC XML File ZIP 14.27 KB Télécharger
DS-BVS-FCAO DS-BVM-FCAO EDS File ZIP 8.43 KB Télécharger

DS-BVM-FCAO/FETC

Images DS-BVM
  1. Alimentation d'entrée : DC 12V - 48V
  2. Courant de sortie : Nominal 3A, Crête 6A
  3. Types de moteurs pris en charge : DC, BLDC, PMSM, VCM
  4. 6 entrées, 2 sorties
  5. Prise en charge des protocoles CANopen et EtherCAT
Images DS-BVM
Spécifications de base

Sur un mobile, vous pouvez déplacer la table de gauche à droite pour voir le contenu.

Moteur adapté DC / BLDC / PMSM / VCM
Alimentation électrique 12 - 48VDC
Courant de sortie 3A (nominal), 6A (crête)
Méthode de conduite Commande FOC PWM triphasée
Méthode de contrôle EtherCAT, CANopen
Support de l'encodeur Encodeur incrémental, encodeur Sin/Cos, encodeur ABS BiSS/SSI
Signal d'entrée 6 entrées générales Entrée opto-isolée : 24VDC
Signal de sortie 2 sorties générales Sortie opto-isolée : 24VDC, courant maximal 40mA
Signal d'entrée analogique ±10 VDC
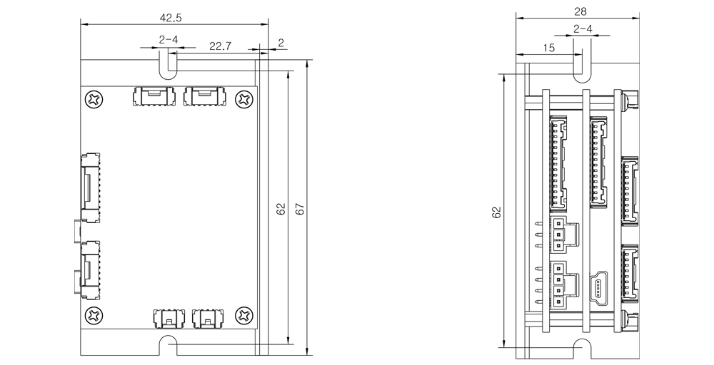
Taille (hors connecteur) sans boîtier : 67 x 42.5 x 28 mm / avec boîtier : 72 x 44.3 x 29.8 mm
Poids (hors connecteur) sans boîtier : 71g / avec boîtier : 90g
Environnement de fonctionnement Application Éviter la poussière, le brouillard d'huile et les gaz corrosifs
Humidité 10 - 90% RH, sans condensation
Température 0 ~ 50°C
Dissipation thermique Installer dans un environnement ventilé
Images DS-BVM
Dessin dimensionnel
  1. Considérer la taille du terminal et l'espace de refroidissement lors de l'installation.
  2. Températures recommandées : moins de 60°C (variateur), moins de 80°C (moteur).
  3. Installer le variateur verticalement pour un refroidissement naturel. Ajouter un ventilateur si nécessaire pour maintenir un fonctionnement stable.
Images du catalogue
Liste de téléchargement du manuel
Nom du fichier Format Taille Télécharger
DS-BVM-FETC/FCAO Hardware Manual PDF 1.19 MB Télécharger
DINGS' Servo Studio Manual PDF 4.58 MB Télécharger
DS-BVS/BVM Series Reference Manual PDF 4.65 MB Télécharger
Stand Alone Drive_Accessory Selection Manual PDF 2.68 MB Télécharger
Liste de téléchargement de logiciel
Nom du fichier Format Taille Télécharger
DINGS' Servo Studio ZIP 4.59 MB Télécharger
DS-BVS-FETC DS-BVM-FETC XML File ZIP 14.27 KB Télécharger
DS-BVS-FCAO DS-BVM-FCAO EDS File ZIP 8.43 KB Télécharger

DS-OLBD1-FRS4

Images DS-OLBD1-FRS4
  1. Alimentation d'entrée : DC12V - 48V
  2. Courant de sortie : Nominal 6A, Crête 18A
  3. Type de moteur pris en charge : moteur DC sans balais (BLDC)
  4. 3 entrées, 2 sorties
  5. Prise en charge du protocole RS485
Images DS-OLBD1-FRS4
Spécifications de base

Sur un mobile, vous pouvez déplacer la table de gauche à droite pour voir le contenu.

Moteur adapté Brushless DC
Alimentation électrique 12 - 48VDC
Courant de sortie 6A (nominal), 18A (crête)
Méthode de conduite Commande PWM triphasée
Méthode de contrôle Contrôle de vitesse analogique, RS485
Méthode de détection Capteur à effet Hall numérique
Signal d'entrée FR (Avant/Arrière) Type d'entrée à terminaison unique
EN (Activation)
BK (Frein)
Signal de sortie PG (Sortie de vitesse) Sortie OC Gate, courant maximal : 10 mA
ALM (Alarme)
Signal d'entrée analogique Potentiomètre 10KΩ ou signal analogique 0–5 VDC
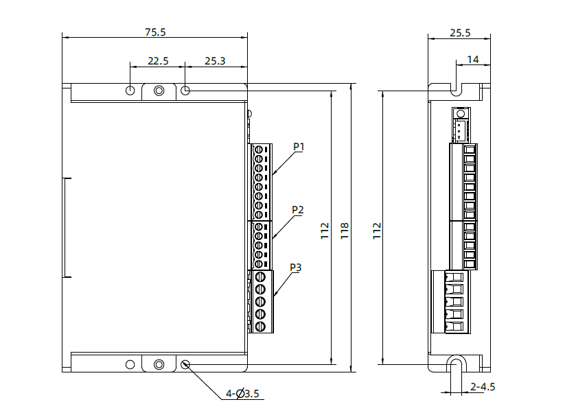
Taille (hors connecteur) 118 x 75.5 x 25.5 mm
Poids (hors connecteur) environ 200g
Environnement de fonctionnement Application Éviter la poussière, le brouillard d'huile et les gaz corrosifs
Humidité <85% RH, sans condensation
Température -15 ~ 50°C
Dissipation thermique Installer dans un environnement ventilé
Images DS-OLBD1
Dessin dimensionnel
  1. Considérer la taille du terminal et l'espace de refroidissement lors de l'installation.
  2. Températures recommandées : moins de 60°C (variateur), moins de 80°C (moteur).
  3. Installer le variateur verticalement pour un refroidissement naturel. Ajouter un ventilateur si nécessaire pour maintenir un fonctionnement stable.
Images du catalogue
Liste de téléchargement du manuel
Nom du fichier Format Taille Télécharger
DS-OLBD1-FRS4 PDF 542.24 KB Télécharger
Liste de téléchargement de logiciel
Nom du fichier Format Taille Télécharger
Simple Tuner V6.2.4 ZIP 3.64 MB Télécharger

DS-OLBD3-FRS4

Images DS-OLBD3
  1. Alimentation d'entrée : DC 12V - 48V
  2. Courant de sortie : Nominal 10A, Crête 30A
  3. Type de moteur pris en charge : moteur DC sans balais (BLDC)
  4. 3 entrées, 2 sorties
  5. Prise en charge du protocole RS485
Images DS-OLBD3
Spécifications de base

Sur un mobile, vous pouvez déplacer la table de gauche à droite pour voir le contenu.

Moteur adapté Brushless DC
Alimentation électrique 12 - 48VDC
Courant de sortie 10A (nominal), 30A (crête)
Méthode de conduite Commande PWM triphasée
Méthode de contrôle Contrôle de vitesse analogique, RS485
Méthode de détection Capteur à effet Hall numérique
Signal d'entrée FR (Avant/Arrière) Type d'entrée à terminaison unique
EN (Activation)
BK (Frein)
Signal de sortie PG (Sortie de vitesse) Sortie OC Gate, courant maximal : 10 mA
ALM (Alarme)
Signal d'entrée analogique Potentiomètre 10KΩ ou signal analogique 0–5 VDC
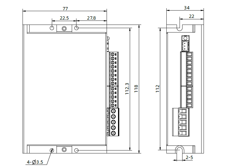
Taille (hors connecteur) 118 x 77 x 34 mm
Poids (hors connecteur) environ 300g
Environnement de fonctionnement Application Éviter la poussière, le brouillard d'huile et les gaz corrosifs
Humidité <85% RH, sans condensation
Température -15 ~ 50°C
Dissipation thermique Installer dans un environnement ventilé
Images DS-OLBD3
Dessin dimensionnel
  1. Considérer la taille du terminal et l'espace de refroidissement lors de l'installation.
  2. Températures recommandées : moins de 60°C (variateur), moins de 80°C (moteur).
  3. Installer le variateur verticalement pour un refroidissement naturel. Ajouter un ventilateur si nécessaire pour maintenir un fonctionnement stable.
Images du catalogue
Liste de téléchargement du manuel
Nom du fichier Format Taille Télécharger
DS-OLBD3-FRS4 PDF 544.95 KB Télécharger
Liste de téléchargement de logiciel
Nom du fichier Format Taille Télécharger
Simple Tuner V6.2.4 ZIP 3.64 MB Télécharger