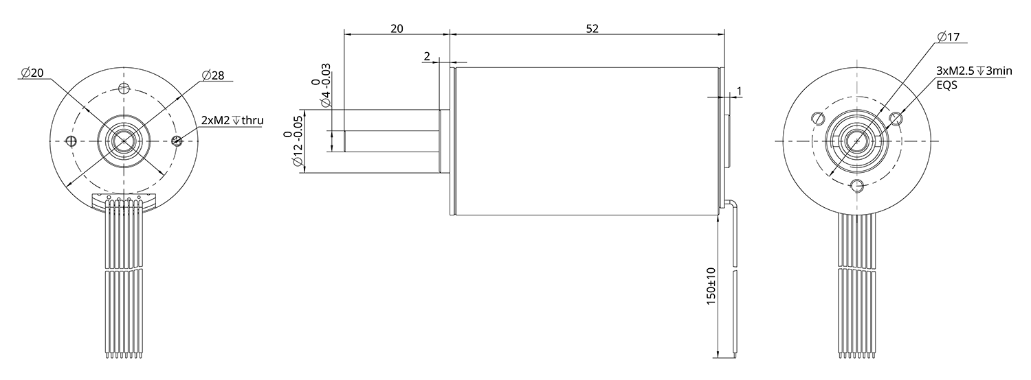
Le moteur 28ZWWC52 a une puissance nominale de 37 W et un couple de crête de 375 mN·m.
Dans un environnement mobile, vous pouvez faire défiler à gauche et à droite pour voir le contenu (tableaux).
| Numéro de référence du moteur | - | 28ZWWC52 | |||||
|---|---|---|---|---|---|---|---|
| Paires de pôles | - | 1 | 1 | 1 | 1 | 2 | |
| Résistance entre phases | Ω | 0.52 | 1.7 | 4.3 | 6.6 | 1.6 | |
| Inductance entre phases | mH | 0.0495 | 0.178 | 0.42 | 0.77 | 0.13 | |
| Méthode de connexion des enroulements | - | Connexion en étoile | Connexion en étoile | Connexion en étoile | Connexion en étoile | Connexion en étoile | |
| Classe d’isolation | - | B | B | B | B | B | |
| Type de service | - | S2 | S2 | S2 | S2 | S1 | |
| Méthode de rétroaction | - | Capteurs à effet Hall | Capteurs à effet Hall | Capteurs à effet Hall | Capteurs à effet Hall | Capteurs à effet Hall | |
| Angle de commutation | - | 120° | 120° | 120° | 120° | 120° | |
|
Rigidité diélectrique (Tension de tenue) |
- | 500VAC/1KHz/1mA/1s | |||||
| Résistance d’isolement | - | 100 MΩ/500VDC | |||||
| Poids | g | 170 | 170 | 170 | 170 | 170 | |
| Tension nominale | V | 12 | 24 | 36 | 48 | 24 | |
| Puissance nominale | W | 30 | 34 | 35 | 35 | 37 | |
| Couple nominal | mN·m | 32 | 32 | 32 | 34 | 50 | |
| Vitesse nominale | RPM | 6970 | 8430 | 8370 | 8340 | 7000 | |
| Courant nominal | A | 3.13 | 1.69 | 1.17 | 0.86 | 2 | |
| Vitesse à vide | RPM | 9270 | 9680 | 9500 | 9400 | 8500 | |
| Courant à vide | A | 0.2 | 0.11 | 0.084 | 0.061 | 0.12 | |
| Rendement du moteur | % | 80 | 84 | 83 | 85 | 81.5 | |
|
Bruit (Bruit ambiant 20dB, distance d’essai 1m) |
dB | <50 | <50 | <50 | <50 | <50 | |
| Résistance thermique (à vide) | K/W | 0.67 | 0.69 | 0.73 | 0.64 | 0.7 | |
| Constante de temps thermique (à vide) | S | 1200 | 1200 | 1080 | 1100 | 880 | |
| Température ambiante | ℃ | 23 | 24 | 27 | 25 | 21.2 | |
| Température max. des enroulements (à vide) | ℃ | 43.2 | 47.3 | 52.5 | 47.4 | 46.7 | |
| Constante de couple | mN·m/A | 10.24 | 18.97 | 27.32 | 39.63 | 25 | |
| Constante FEM inverse - valeur de crête | V/Krpm | 1.52 | 2.81 | 4.04 | 5.87 | 3.7 | |
| Constante FEM inverse - valeur efficace | V/Krpm | 1.07 | 1.99 | 2.86 | 4.15 | 2.62 | |
| Couple de crête | mN·m | 236.31 | 267.87 | 228.72 | 288.25 | 375 | |
| Courant de crête | A | 23 | 14 | 8 | 7 | 15 | |
| Inertie du rotor | g·cm² | 10.2 | 10.2 | 10.2 | 10.2 | 10.2 | |
| Constante de temps mécanique | ms | 5.06 | 4.82 | 5.88 | 4.29 | 2.61 | |
| Flasque arrière | - | Acier inoxydable | |||||
| Roulement | - | Roulement à billes à gorge profonde | |||||
| Aimant | - | NdFeB fritté | |||||
| Arbre de rotation | - | Acier au carbone | |||||
Dans un environnement mobile, vous pouvez faire défiler à gauche et à droite pour voir le contenu (tableaux).
| Étape | - | Étape 1 | Étape 2 | Étape 3 | Étape 4 |
|---|---|---|---|---|---|
| Rapport de Réduction | X : 1 | 3.9, 5.3 | 16, 21, 28 | 62, 83, 111, 150 | 243, 326, 439, 590, 794 |
| Jeu maximal | ° | 0.5 | 0.6 | 0.7 | 0.75 |
| Puissance de sortie continue max. | W | 100 | 50 | 25 | 8.0 |
| Puissance de sortie de crête max. | W | 125 | 62 | 31 | 10 |
| Vitesse de transmission continue max. | rpm | 6000 | 7000 | 7000 | 7000 |
| Vitesse d'entrée de pointe max. | rpm | 7500 | 8750 | 8750 | 8750 |
| Couple continu max. | N.m | 1.25 | 2.90 | 5.0 | 5.0 |
| Couple de pointe max. | N.m | 1.6 | 3.6 | 6.3 | 6.3 |
| Rendement maximal | % | 90 | 81 | 72 | 65 |
| Poids | g | 103 | 150 | 174 | 198 |
| Longueur du réducteur L | mm | 24.2 | 36.9 | 43.5 | 50.2 |