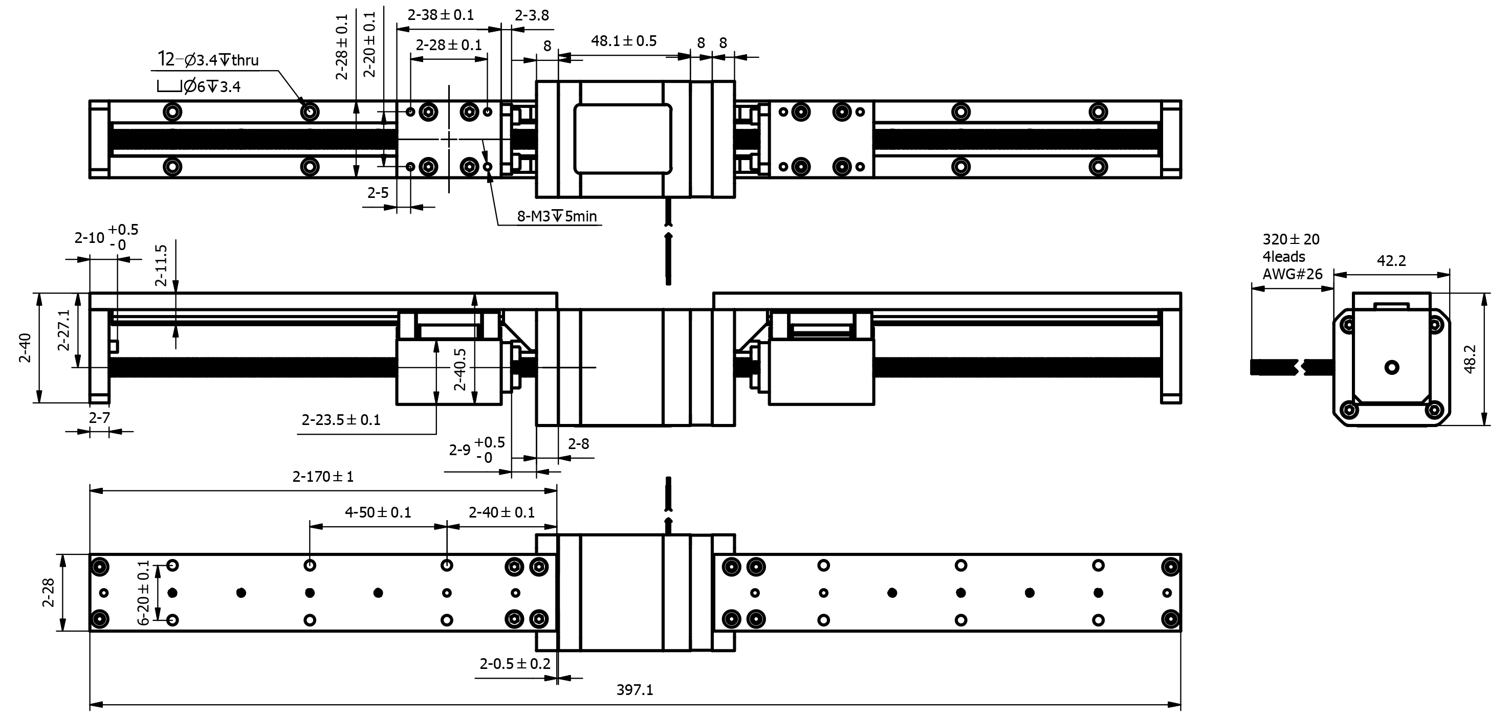
Basés sur les produits de la plateforme DINGS, les actionneurs linéaires à vis-mère de haute précision et les modules linéaires simples développés en interne, les séries DLM et LR-DLM 42mm offrent des structures de solution linéaire compactes et fiables.
Les séries DLM et LR-DLM 42mm proposent une bonne précision, une grande diversité de courses optionnelles et une personnalisation basée sur le pas. Ces modules linéaires peuvent fournir aux clients des solutions personnalisées et intégrées.
Dans un environnement mobile, vous pouvez déplacer de gauche à droite pour voir le contenu (tableaux).
| Moteur | Tension[V] | Courant[A [RMS]] | Résistance[Ω] | Inductance[mH] | Longueur du moteur[mm] | Nombre de fils de connexion |
|---|---|---|---|---|---|---|
| 17E2105 | 7.2 | 0.5 | 14.4 | 19.8 | 34.1 | 4 |
| 17E2110 | 3.8 | 1.0 | 3.8 | 5 | 34.1 | 4 |
| 17E2115 | 2.85 | 1.5 | 1.9 | 2.2 | 34.1 | 4 |
| 17E2205 | 11.0 | 0.5 | 22.0 | 46 | 48.1 | 4 |
| 17E2212 | 4.5 | 1.2 | 3.8 | 8.0 | 48.1 | 4 |
| 17E2225 | 2.5 | 2.5 | 1.0 | 1.8 | 48.1 | 4 |
Dans un environnement mobile, vous pouvez déplacer de gauche à droite pour voir le contenu (tableaux).
| Diamètre de vis.[inch] | Diamètre de vis.[mm] | Pas[inch] | Pas[mm] | Code de pas | Déplacement par pas @ 1.8° [mm] |
|---|---|---|---|---|---|
| 0.25 | 6.35 | 0.024 | 0.6096 | AA | 0.003048 |
| 0.25 | 6.35 | 0.0394 | 1.0 | AB | 0.005 |
| 0.25 | 6.35 | 0.025 | 0.635 | A | 0.003175 |
| 0.25 | 6.35 | 0.048 | 1.2192 | B | 0.006096 |
| 0.25 | 6.35 | 0.05 | 1.27 | D | 0.00635 |
| 0.25 | 6.35 | 0.0625 | 1.5875 | F* | 0.0079 |
| 0.25 | 6.35 | 0.096 | 2.4384 | J | 0.0122 |
| 0.25 | 6.35 | 0.1 | 2.54 | K | 0.0127 |
| 0.25 | 6.35 | 0.125 | 3.175 | L | 0.0159 |
| 0.25 | 6.35 | 0.192 | 4.8768 | Q | 0.024 |
| 0.25 | 6.35 | 0.2 | 5.08 | R | 0.0254 |
| 0.25 | 6.35 | 0.25 | 6.35 | S | 0.0318 |
| 0.25 | 6.35 | 0.333 | 8.4667 | U | 0.0423 |
| 0.25 | 6.35 | 0.384 | 9.7536 | W | 0.0488 |
| 0.25 | 6.35 | 0.5 | 12.7 | Y | 0.0635 |
| 0.25 | 6.35 | 1 | 25.4 | Z | 0.127 |
| 0.315 | 8 | 0.1575 | 4 | M | 0.02 |
| 0.315 | 8 | 0.315 | 8 | T | 0.04 |
| 0.315 | 8 | 0.0787 | 2 | G | 0.01 |
| 0.315 | 8 | 0.3937 | 10 | C | 0.05 |
| Modèle | C100B(dyn)(N) | Co(stat)(N) | Mro(Nm) | Mpo(Nm) | Myo(Nm) |
|---|---|---|---|---|---|
| DLM / L·R DLM 42 | 2128 | 2702 | 16.541 | 8.799 | 8.799 |
Dans un environnement mobile, vous pouvez déplacer de gauche à droite pour voir le contenu (tableaux).
| Taille A (mm) |
Course B (mm) |
Poids (kg) | |
|---|---|---|---|
| Empilement simple | Empilement double | ||
| 120 | 50 | 0.508 | 0.658 |
| 170 | 100 | 0.568 | 0.7 |
| 220 | 150 | 0.628 | 0.805 |
| 270 | 200 | 0.688 | 0.82 |
| 320 | 250 | 0.748 | 0.91 |
| 370 | 300 | 0.808 | 0.94 |
| 420 | 350 | 0.868 | 1 |
| 470 | 400 | 0.928 | 1.06 |
| 520 | 450 | 0.988 | 1.12 |
| 570 | 500 | 1.048 | 1.18 |
* Les valeurs de masse indiquées sont données à titre indicatif et peuvent varier selon la configuration réelle du produit.
In a mobile environment, you can move left and right to see the contents (tables).
| Course (mm) |
Empilement simple | Empilement double | ||
|---|---|---|---|---|
| Longueur totale (mm) | Masse (kg) | Longueur totale (mm) | Masse (kg) | |
| 50 | 283.1 | 0.808 | 297.1 | 0.940 |
| 100 | 383.1 | 0.899 | 397.1 | 1.031 |
| 150 | 483.1 | 0.990 | 497.1 | 1.122 |
| 200 | 583.1 | 1.082 | 597.1 | 1.214 |
| 250 | 683.1 | 1.172 | 697.1 | 1.304 |
| 300 | 783.1 | 1.263 | 797.1 | 1.395 |
| 350 | 883.1 | 1.354 | 897.1 | 1.486 |
| 400 | 983.1 | 1.445 | 997.1 | 1.577 |