La conception modulaire du stator et du rotor dans le moteur sans cadre de 85 mm, ainsi que les rapports de fente optimisés, améliorent la densité de couple du moteur.
Le rotor dispose d'un grand espace d'alésage interne et le stator est conçu pour une installation encastrée par le client, facilitant ainsi la conception personnalisée incluant les structures de montage et les systèmes de refroidissement, offrant une plus grande flexibilité pour les systèmes sur mesure.
La combinaison fente-pôle optimisée réduit le couple d'engrènement du moteur, assurant un fonctionnement fluide du moteur.
La structure est compacte et hautement intégrée.
Sur un appareil mobile, vous pouvez déplacer la table horizontalement pour voir le contenu.
| Référence du moteur | - | 85ZWC25X-1 | 85ZWC35X-1 | |
|---|---|---|---|---|
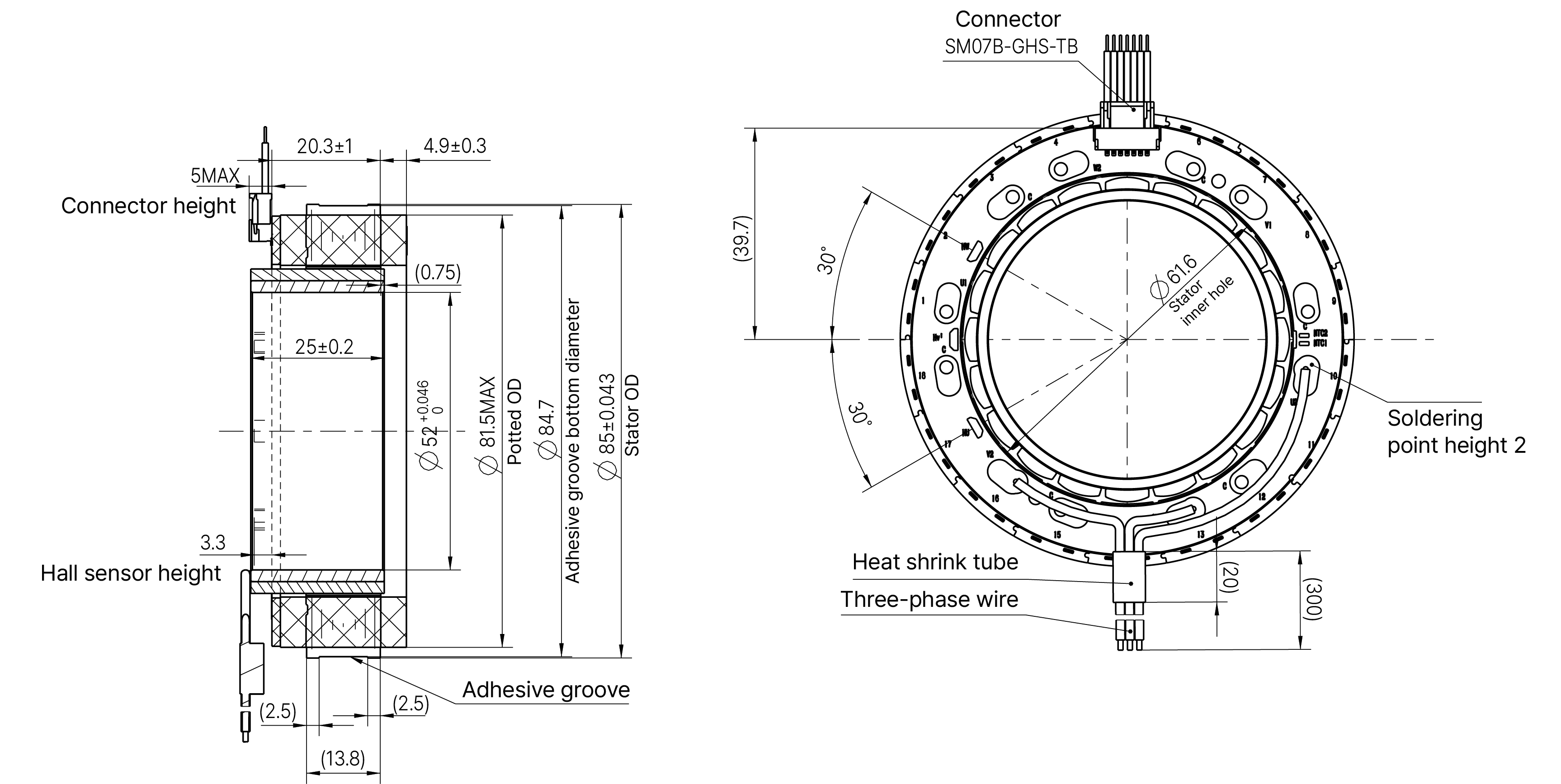
| Diamètre extérieur du stator | mm | 85±0.043 | 85±0.043 | |
| Diamètre intérieur du rotor | mm | 52+0.046 | 52+0.046 | |
| Longueur totale (L) | mm | 20.3 | 30.1 | |
| Longueur d’empilage (L1) | mm | 13.8 | 23.6 | |
| Longueur du rotor (L2) | mm | 25±0.2 | 35±0.2 | |
| Nombre de fentes | - | 18 | 18 | |
| Paires de pôles | - | 10 | 10 | |
| Résistance entre phases | Ω | 0.14 | 0.06 | |
| Inductance entre phases | mH | 0.34 | 0.12 | |
| Méthode de connexion des enroulements | - | Connexion en étoile | Connexion en étoile | |
| Classe d’isolation | - | F | F | |
| Type de service | - | S2 | S2 | |
| Méthode de retour | - | Capteur à effet Hall | Capteur à effet Hall | |
| Angle de commutation | - | 120° | 120° | |
| Résistance diélectrique (tension de tenue) | - | 500VAC/1mA/1s | 500VAC/1mA/1s | |
| Résistance d’isolement | - | 100MΩ/500VDC | 100MΩ/500VDC | |
| Poids du stator | g | 315 | 460 | |
| Poids du rotor | g | 135 | 189 | |
| Vitesse à vide | RPM | 3650 | 4700 | |
| Courant à vide | A | 0.6(REF) | 2.4(REF) | |
| Tension nominale | VDC | 48 | 48 | |
| Puissance nominale | W | 422 | 827 | |
| Couple nominal | N·m | 1.3 | 2 | |
| Vitesse nominale | RPM | 3100 | 3950 | |
| Courant nominal | A | 10.3 | 20.6 | |
| Constante de couple | Nm/A | 0.16 | 0.117 | |
| Constante FEM inverse (valeur efficace) | Vrms/Krpm | 9.7 | 8.66 | |
| Couple de crête | N·m | 3.9 | 6 | |
| Courant de crête | A | 27 | 62 | |
| Inertie du rotor | g·cm² | 1086 | 1520 | |
Sur un appareil mobile, vous pouvez déplacer la table horizontalement pour voir le contenu.
| Type de connexion | Couleur du fil | Fonction | |
|---|---|---|---|
| UL1332 AWG16 | Jaune | Phase U | |
| Rouge | Phase V | ||
| Noir | Phase W | ||
